LEMON Manuals: Even more car manuals for everyone
Home >> Honda >> 2012 >> CR-Z Base, Standard Trans >> Repair and Diagnosis >> Engine Performance >> System >> Fuel And Emissions Systems >> System Description >> Electronic Throttle Control System Diagram

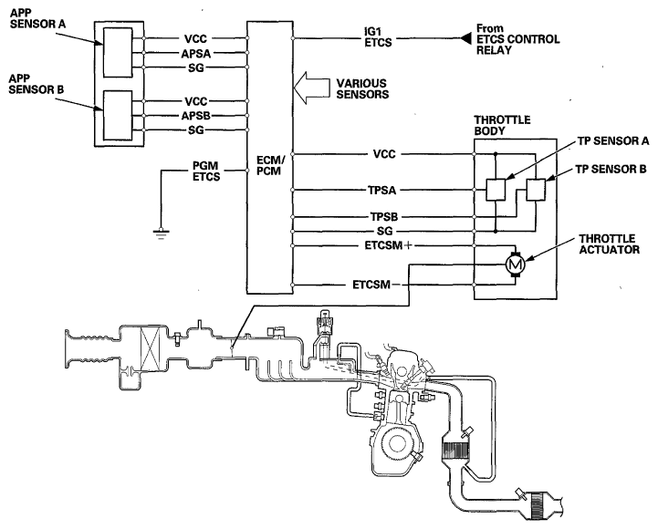
Electronic Throttle Control System Diagram

The electronic throttle control system consists of the throttle actuator, TP sensor A/B, the APP sensor A/B, the ETCS control relay, and the ECM/PCM.

Fig 1: Electronic Throttle Control System Diagram
G06949763Courtesy of AMERICAN HONDA MOTOR CO., INC.