LEMON Manuals: Even more car manuals for everyone
Home >> Honda >> 2012 >> CR-Z Base, Standard Trans >> Repair and Diagnosis >> Engine Performance >> System >> Fuel And Emissions Systems >> System Description >> ECM/PCM Electrical Connections

ECM/PCM Electrical Connections

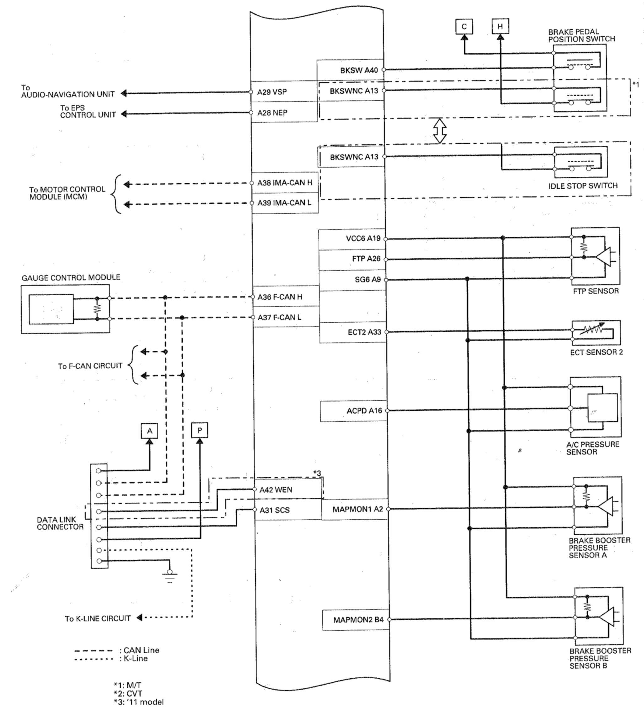
Fig 1: ECM/PCM Electrical Connections (1 Of 6)
G06949725Courtesy of AMERICAN HONDA MOTOR CO., INC.
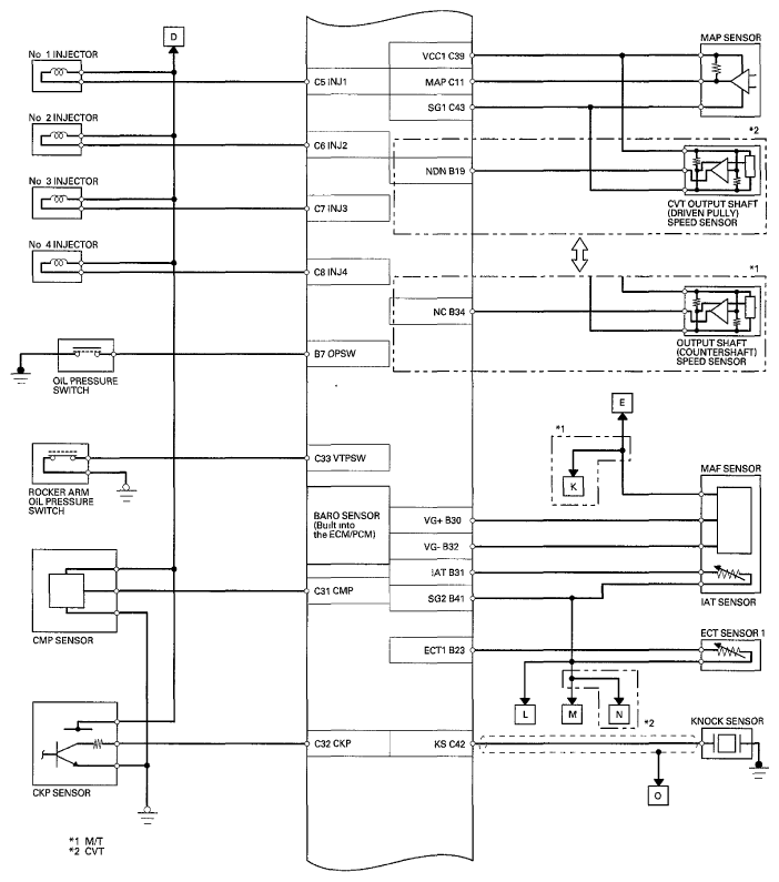
Fig 2: ECM/PCM Electrical Connections (2 Of 6)
G06949726Courtesy of AMERICAN HONDA MOTOR CO., INC.
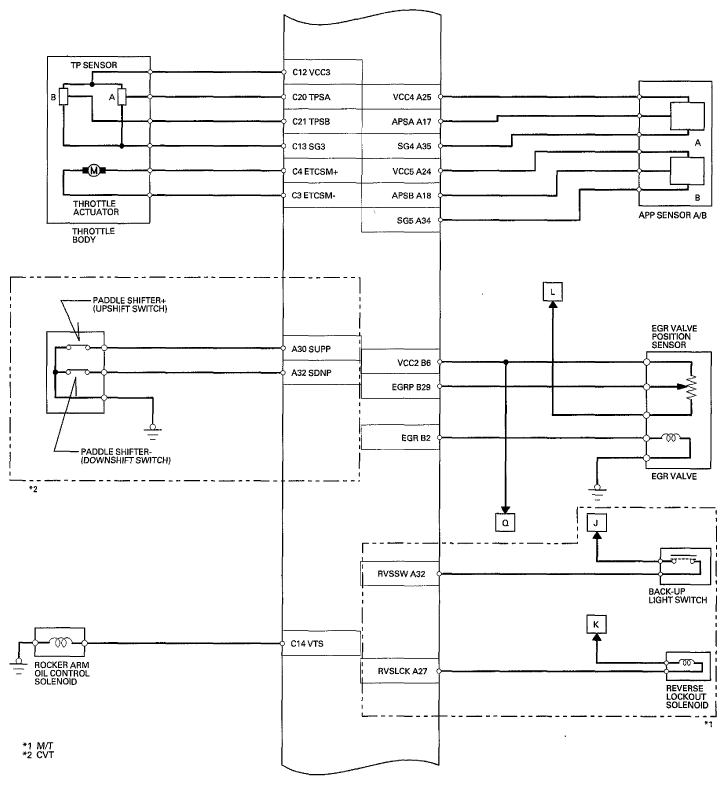
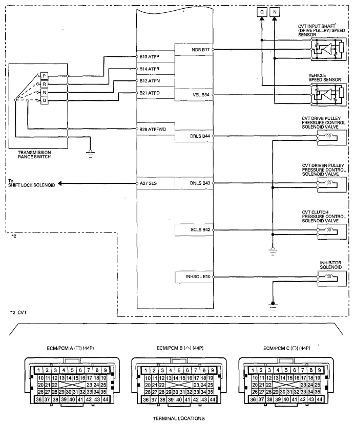
Fig 3: ECM/PCM Electrical Connections (3 Of 6)
G06949727Courtesy of AMERICAN HONDA MOTOR CO., INC.
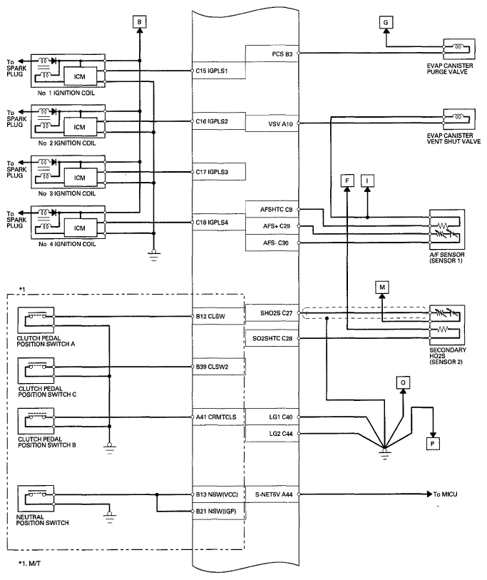
Fig 4: ECM/PCM Electrical Connections (4 Of 6)
G06949728Courtesy of AMERICAN HONDA MOTOR CO., INC.
Fig 5: ECM/PCM Electrical Connections (5 Of 6)
G06949729Courtesy of AMERICAN HONDA MOTOR CO., INC.
Fig 6: ECM/PCM Electrical Connections (6 Of 6)
G06949730Courtesy of AMERICAN HONDA MOTOR CO., INC.