LEMON Manuals: Even more car manuals for everyone
Home >> Honda >> 2012 >> CR-Z Base, Standard Trans >> Repair and Diagnosis >> Engine Performance >> System >> Fuel And Emissions Systems >> System Description >> ECM/PCM Circuit Diagram

ECM/PCM Circuit Diagram

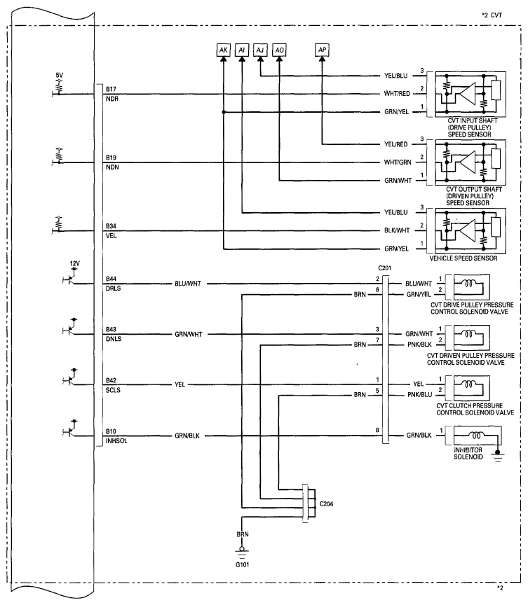
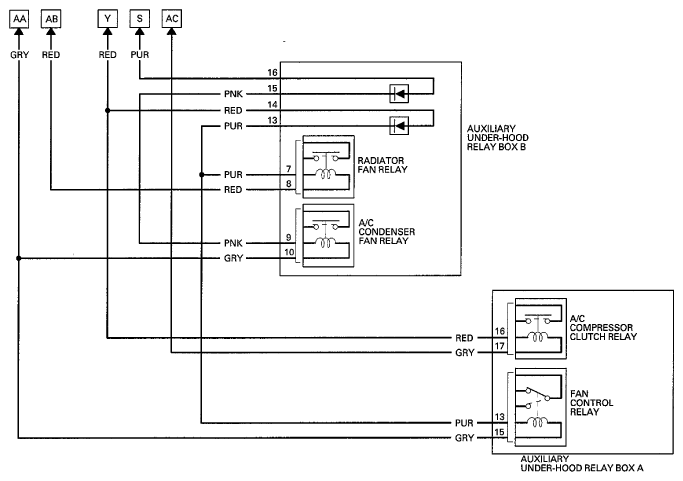
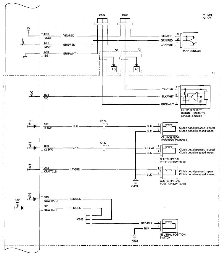
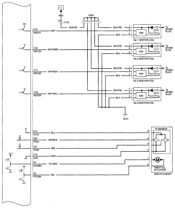
Fig 1: ECM/PCM Circuit Diagram (1 Of 15)
G06949731Courtesy of AMERICAN HONDA MOTOR CO., INC.
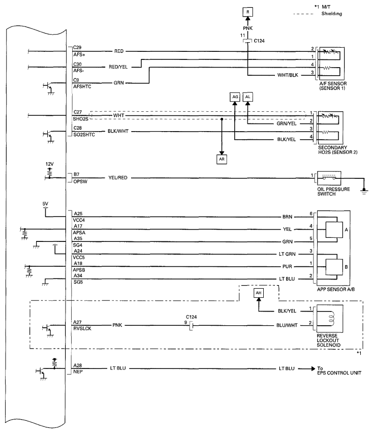
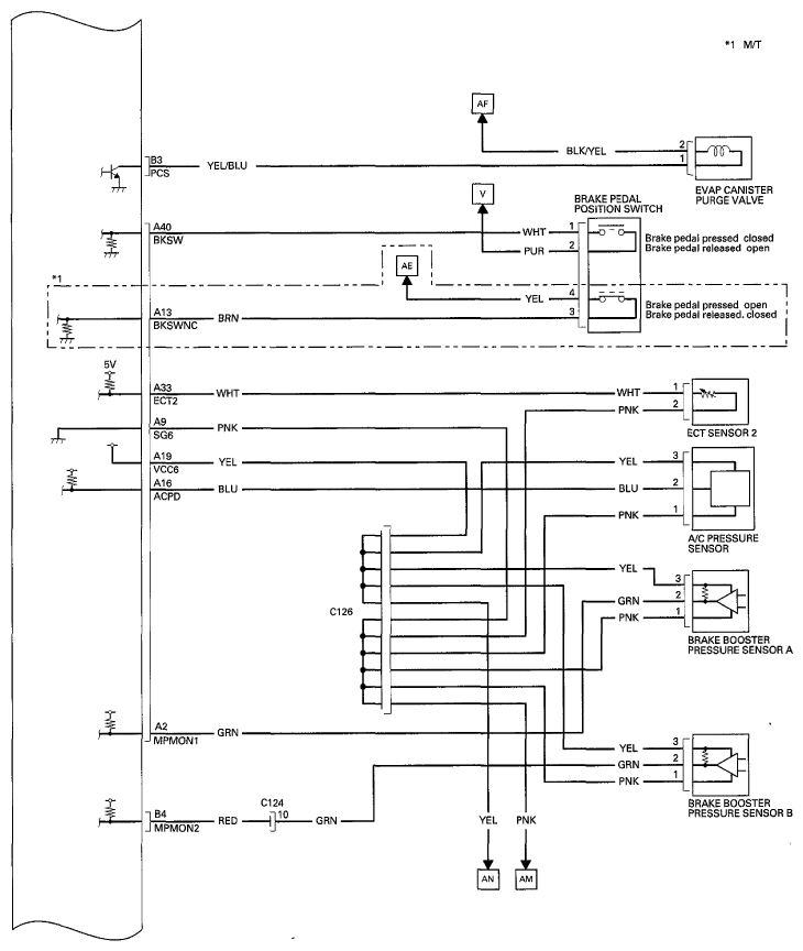
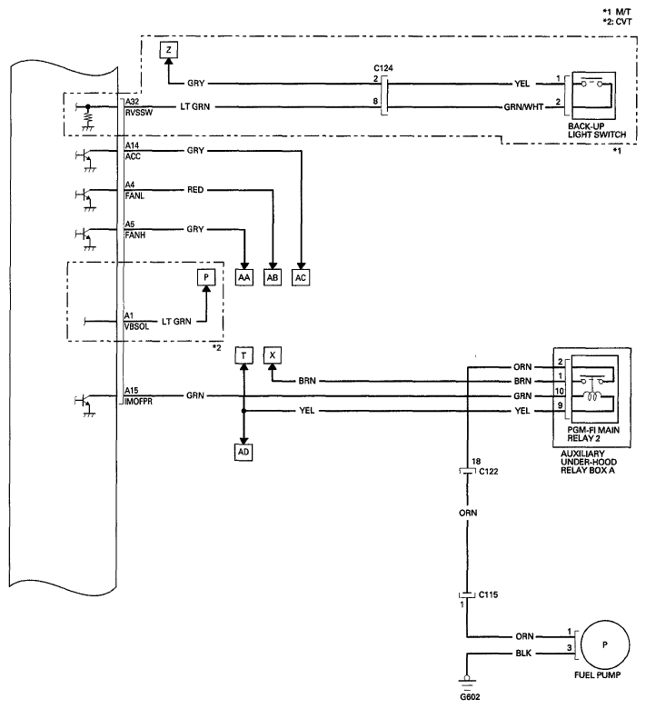
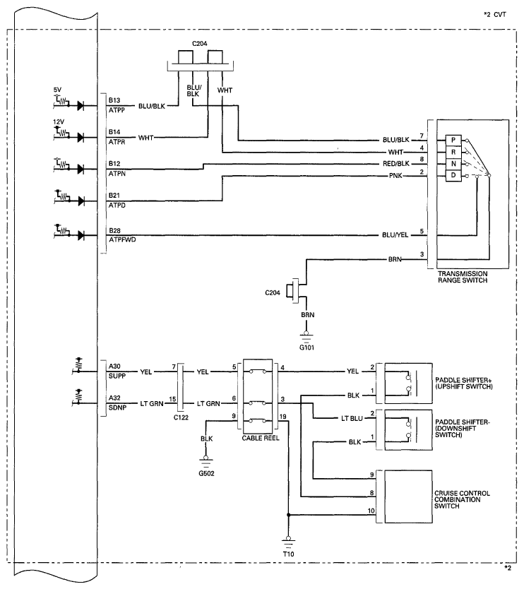
Fig 2: ECM/PCM Circuit Diagram (2 Of 15)
G06949732Courtesy of AMERICAN HONDA MOTOR CO., INC.
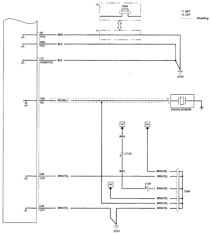
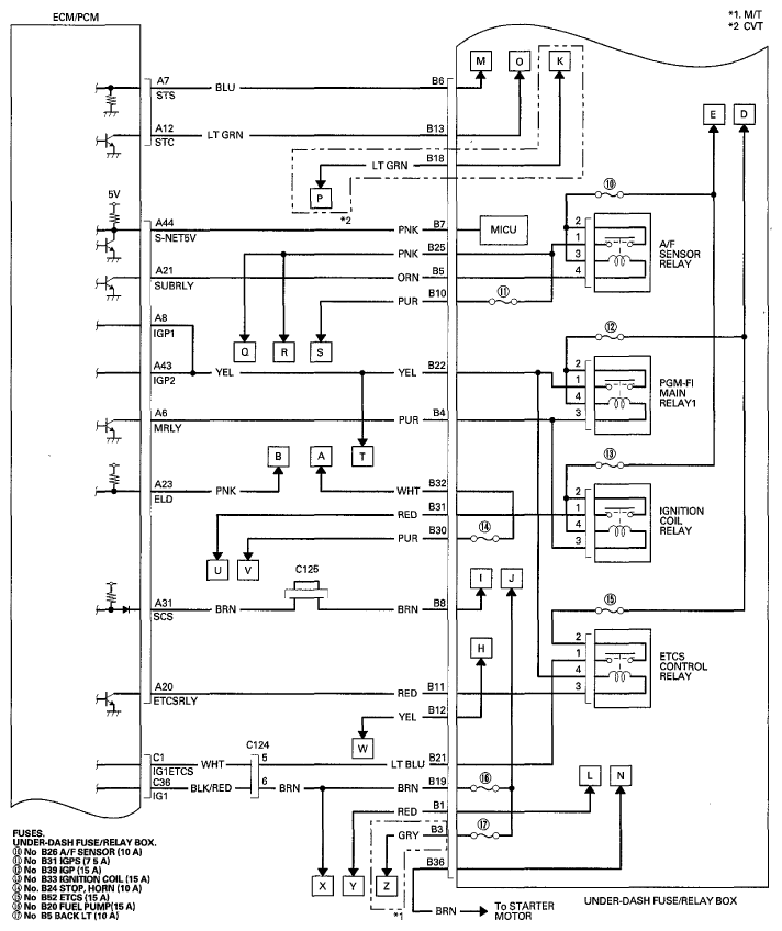
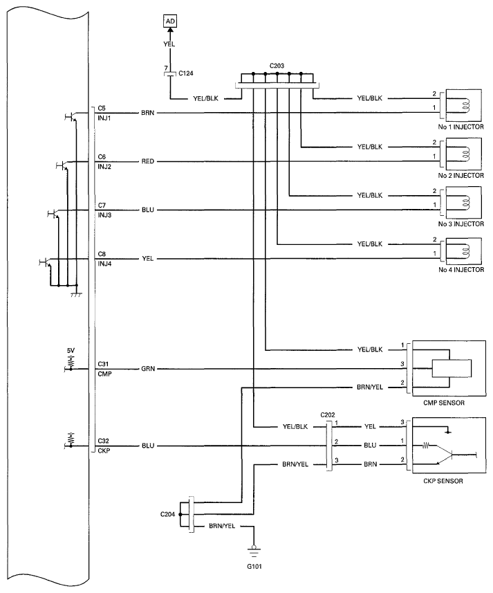
Fig 3: ECM/PCM Circuit Diagram (3 Of 15)
G06949733Courtesy of AMERICAN HONDA MOTOR CO., INC.
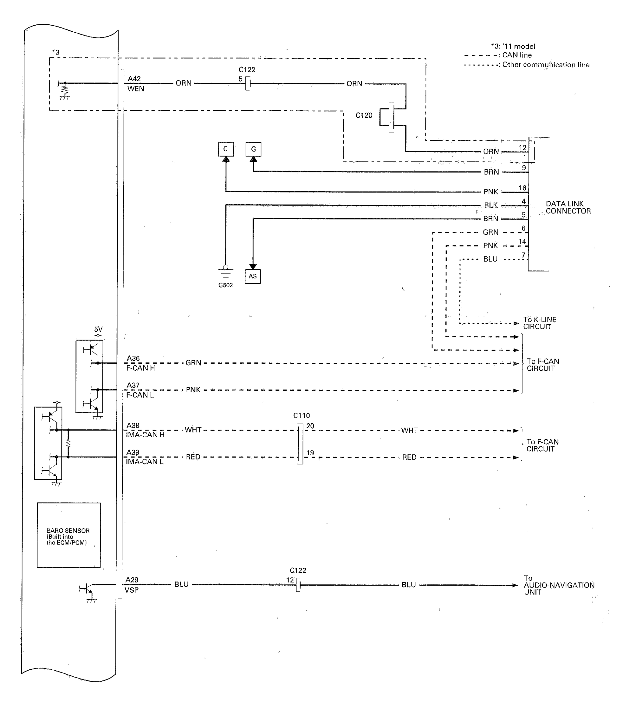
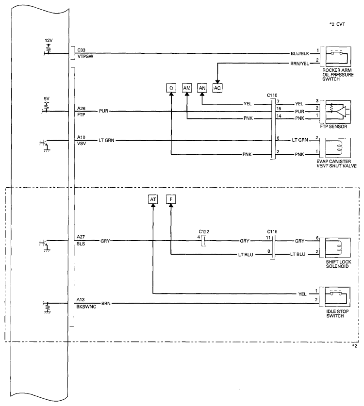
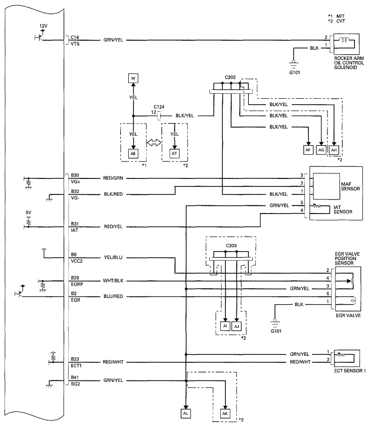
Fig 4: ECM/PCM Circuit Diagram (4 Of 15)
G06949734Courtesy of AMERICAN HONDA MOTOR CO., INC.
Fig 5: ECM/PCM Circuit Diagram (5 Of 15)
G06949735Courtesy of AMERICAN HONDA MOTOR CO., INC.
Fig 6: ECM/PCM Circuit Diagram (6 Of 15)
G06949736Courtesy of AMERICAN HONDA MOTOR CO., INC.
Fig 7: ECM/PCM Circuit Diagram (7 Of 15)
G06949737Courtesy of AMERICAN HONDA MOTOR CO., INC.
Fig 8: ECM/PCM Circuit Diagram (8 Of 15)
G06949738Courtesy of AMERICAN HONDA MOTOR CO., INC.
Fig 9: ECM/PCM Circuit Diagram (9 Of 15)
G06949739Courtesy of AMERICAN HONDA MOTOR CO., INC.
Fig 10: ECM/PCM Circuit Diagram (10 Of 15)
G06949740Courtesy of AMERICAN HONDA MOTOR CO., INC.
Fig 11: ECM/PCM Circuit Diagram (11 Of 15)
G06949741Courtesy of AMERICAN HONDA MOTOR CO., INC.
Fig 12: ECM/PCM Circuit Diagram (12 Of 15)
G06949742Courtesy of AMERICAN HONDA MOTOR CO., INC.
Fig 13: ECM/PCM Circuit Diagram (13 Of 15)
G00514301Courtesy of AMERICAN HONDA MOTOR CO., INC.
Fig 14: ECM/PCM Circuit Diagram (14 Of 15)
G06949744Courtesy of AMERICAN HONDA MOTOR CO., INC.
Fig 15: ECM/PCM Circuit Diagram (15 Of 15)
G06949745Courtesy of AMERICAN HONDA MOTOR CO., INC.