LEMON Manuals: Even more car manuals for everyone
Home >> Honda >> 2012 >> CR-Z Base, Standard Trans >> Repair and Diagnosis >> Body & Frame >> Windows >> Power Windows >> Circuit Diagram

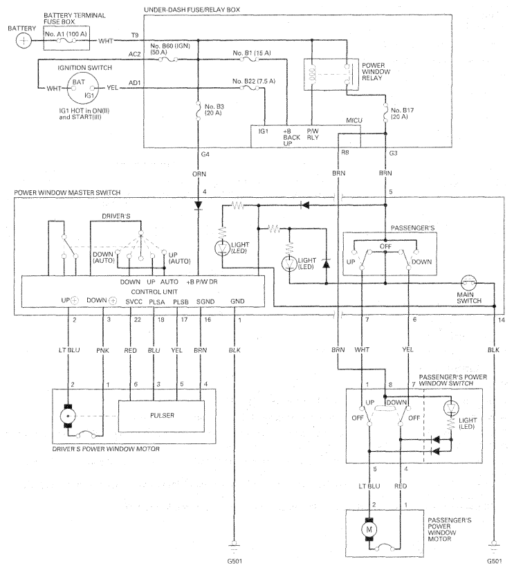
Circuit Diagram

Fig 1: Power Circuit - Circuit Diagram
G06954039Courtesy of AMERICAN HONDA MOTOR CO., INC.