LEMON Manuals: Even more car manuals for everyone
Home >> Honda >> 2012 >> Accord SE >> Repair and Diagnosis >> External Pages >> Different variant/trim >> Section 83 (Driver Position Memory System (DPMS) (V6)) >> Circuit Diagram - Power Seat

Circuit Diagram - Power Seat

WARNING: This page is about a different variant/trim than selected.
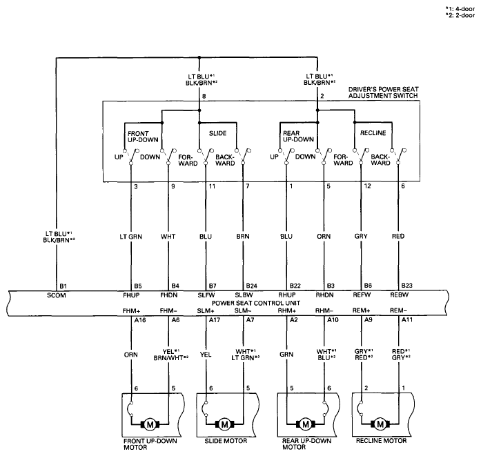
Fig 1: Driver Position Memory System Circuit Diagram - Power Seat (1 Of 4)
G07352442Courtesy of AMERICAN HONDA MOTOR CO., INC.
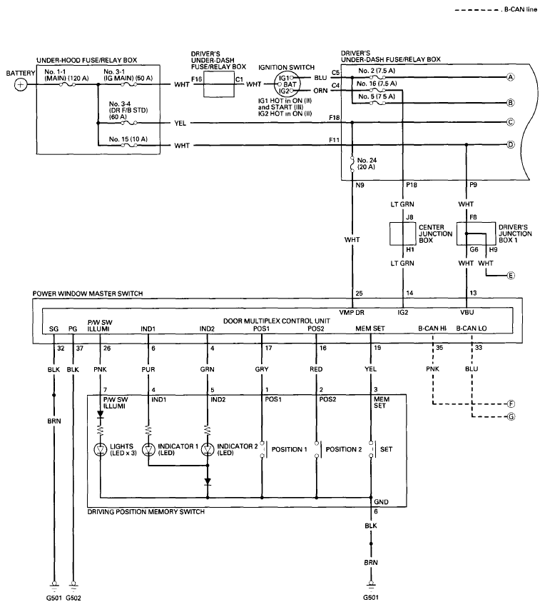
Fig 2: Driver Position Memory System Circuit Diagram - Power Seat (2 Of 4)
G07352443Courtesy of AMERICAN HONDA MOTOR CO., INC.
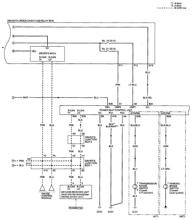
Fig 3: Driver Position Memory System Circuit Diagram - Power Seat (3 Of 4)
G07352444Courtesy of AMERICAN HONDA MOTOR CO., INC.
Fig 4: Driver Position Memory System Circuit Diagram - Power Seat (4 Of 4)
G07352445Courtesy of AMERICAN HONDA MOTOR CO., INC.