LEMON Manuals: Even more car manuals for everyone
Home >> Honda >> 2011 >> Insight Base >> Repair and Diagnosis (Single Page) >> Transmission >> Automatic Trans >> Continuously Variable Transmission (CVT) >> System Description >> Shift Lock System >> Circuit Diagram - PCM CVT Control System-Six-position Transmission

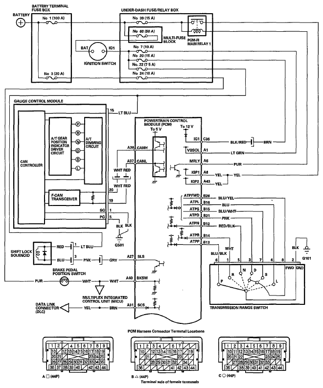
Circuit Diagram - PCM CVT Control System-Six-position Transmission

Fig 1: PCM CVT Control System-Six Position Transmission - Circuit Diagram (1 Of 2)
G06430056Courtesy of AMERICAN HONDA MOTOR CO., INC.


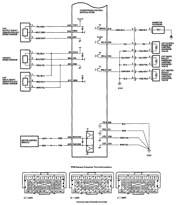
Fig 1: PCM CVT Control System-Six Position Transmission - Circuit Diagram (2 Of 2)
G06430057Courtesy of AMERICAN HONDA MOTOR CO., INC.