LEMON Manuals: Even more car manuals for everyone
Home >> Honda >> 2011 >> Insight Base >> Repair and Diagnosis (Single Page) >> Engine Performance >> System >> Advanced Diagnostics >> DTC P2101: Electronic Throttle Control System (ETCS) Malfunction >> Notes

DTC P2101: Electronic Throttle Control System (ETCS) Malfunction: Notes

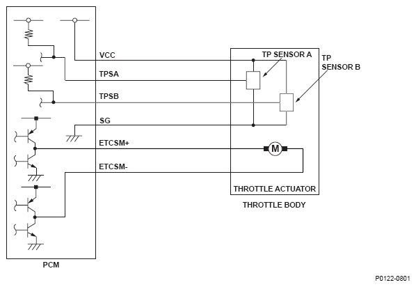
Fig 1: Throttle Position Sensor Circuit Diagram
G05613341Courtesy of AMERICAN HONDA MOTOR CO., INC.