LEMON Manuals: Even more car manuals for everyone
Home >> Honda >> 2009 >> Ridgeline RT >> Repair and Diagnosis >> Engine Performance >> System >> Advanced Diagnostics >> DTC P0401: Exhaust Gas Recirculation (EGR) Insufficient Flow >> Notes

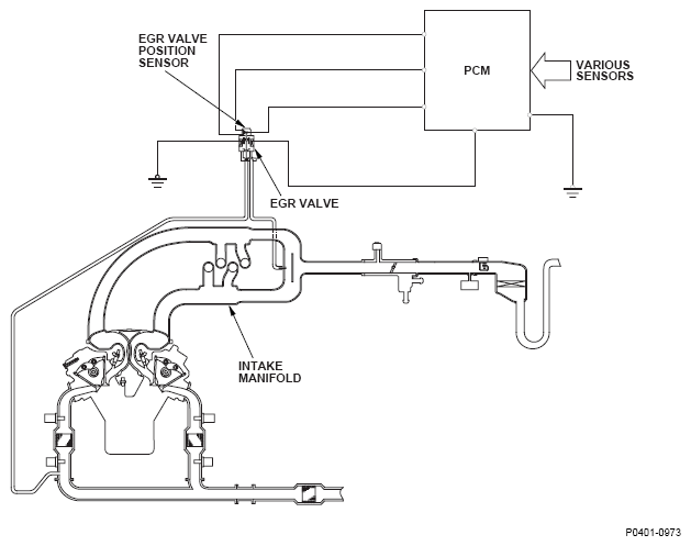
DTC P0401: Exhaust Gas Recirculation (EGR) Insufficient Flow: Notes

Fig 1: Exhaust Gas Recirculation (EGR) Insufficient Flow Diagram
G06124463Courtesy of AMERICAN HONDA MOTOR CO., INC.
Fig 2: Exhaust Gas Recirculation (EGR) Operation Chart
G04816559Courtesy of AMERICAN HONDA MOTOR CO., INC.