LEMON Manuals: Even more car manuals for everyone
Home >> Honda >> 2009 >> Pilot EX, 3.5 4 >> Repair and Diagnosis >> Engine Performance >> System >> Advanced Diagnostics >> DTC P0506: Idle Control System RPM Lower Than Expected >> Notes

DTC P0506: Idle Control System RPM Lower Than Expected: Notes

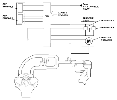
Fig 1: Idle Control System RPM Circuit Diagram (Lower Than Expected)
G06128396Courtesy of AMERICAN HONDA MOTOR CO., INC.
Fig 2: Idle Speed Graph (Normal And Failure Operation)
G06128397Courtesy of AMERICAN HONDA MOTOR CO., INC.