LEMON Manuals: Even more car manuals for everyone
Home >> Honda >> 2009 >> Fit Base, Standard >> Repair and Diagnosis >> Engine Performance >> System >> Advanced Diagnostics >> DTC P2101: Electronic Throttle Control System (ETCS) Malfunction >> Notes

DTC P2101: Electronic Throttle Control System (ETCS) Malfunction: Notes

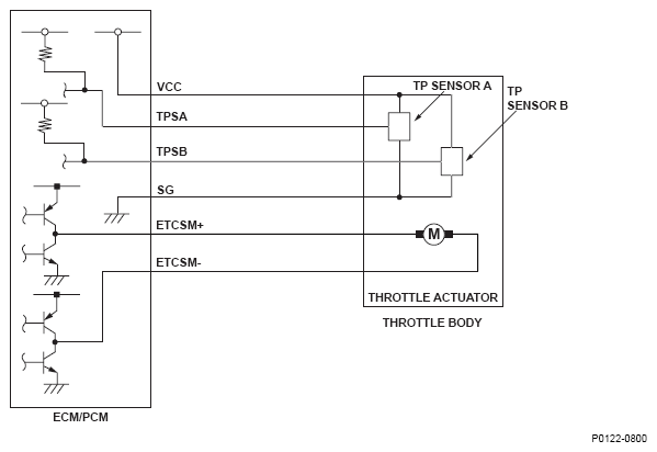
Fig 1: Throttle Position (TP) Sensor/Throttle Actuator Voltage - Circuit Diagram
G05615557Courtesy of AMERICAN HONDA MOTOR CO., INC.