LEMON Manuals: Even more car manuals for everyone
Home >> Honda >> 2009 >> Element SC, Automatic >> Repair and Diagnosis >> External Pages >> Different car >> Section 148 (Navigation System) >> Circuit Diagram

Circuit Diagram

WARNING: This page does not describe the selected car, but rather 7 other vehicles, including the 2017 Honda Odyssey, 2016 Honda Odyssey, 2015 Honda Odyssey, 2014 Honda Odyssey, and 2013 Honda Odyssey. However, it is still accessible from the selected car via links, so may be relevant.
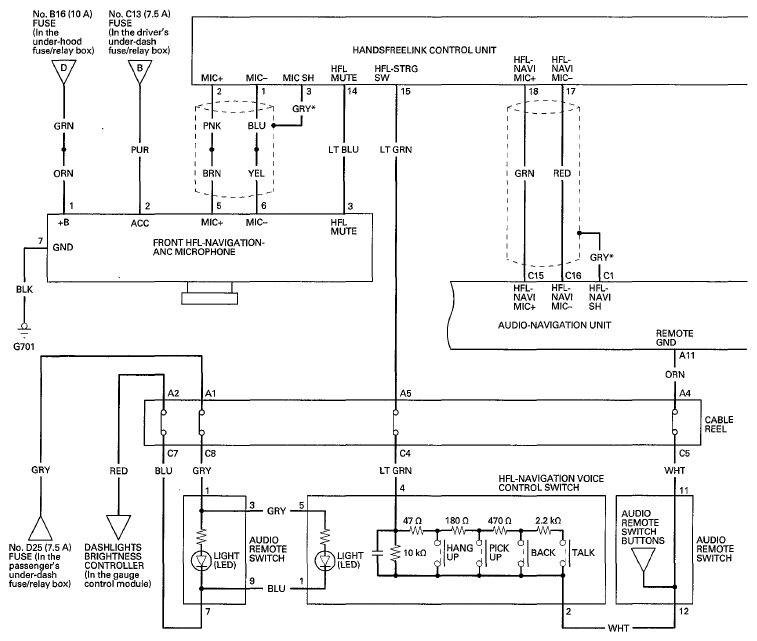
Fig 1: Audio-Navigation Unit Circuit Diagram (1 Of 5)
G06971106Courtesy of AMERICAN HONDA MOTOR CO., INC.
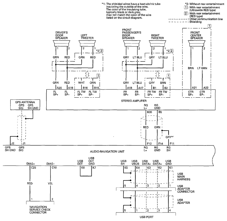
Fig 2: Audio-Navigation Unit Circuit Diagram (2 Of 5)
G06971107Courtesy of AMERICAN HONDA MOTOR CO., INC.
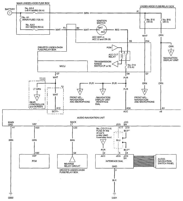
Fig 3: Audio-Navigation Unit Circuit Diagram (3 Of 5)
G06971108Courtesy of AMERICAN HONDA MOTOR CO., INC.
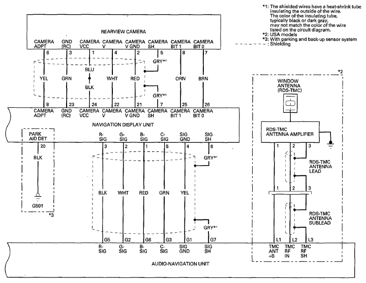
Fig 4: Audio-Navigation Unit Circuit Diagram (4 Of 5)
G06971109Courtesy of AMERICAN HONDA MOTOR CO., INC.
Fig 5: Audio-Navigation Unit Circuit Diagram (5 Of 5)
G06971110Courtesy of AMERICAN HONDA MOTOR CO., INC.