LEMON Manuals: Even more car manuals for everyone
Home >> Honda >> 2009 >> Element SC, Automatic >> Repair and Diagnosis >> Engine Performance >> System >> Advanced Diagnostics >> DTC P0369: Camshaft Position (CMP) Sensor B Circuit Intermittent Interruption >> Notes

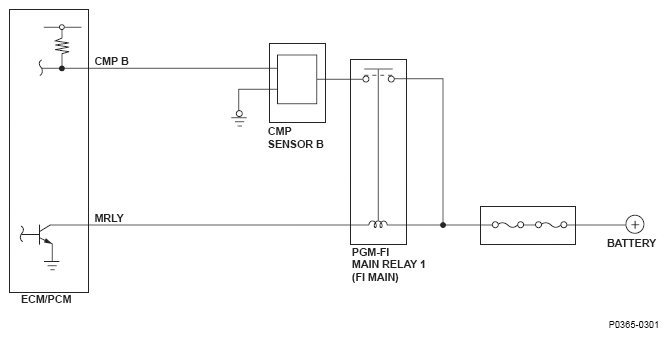
DTC P0369: Camshaft Position (CMP) Sensor B Circuit Intermittent Interruption: Notes

Fig 1: Camshaft Position Sensor B Circuit Diagram
G04816789Courtesy of AMERICAN HONDA MOTOR CO., INC.