LEMON Manuals: Even more car manuals for everyone
Home >> Honda >> 2008 >> Fit Base, Standard >> Repair and Diagnosis >> Engine Performance >> System >> Advanced Diagnostics >> DTC P2118 (40): Throttle Actuator Current Range/Performance Problem (A/T) >> Notes

DTC P2118 (40): Throttle Actuator Current Range/Performance Problem (A/T): Notes

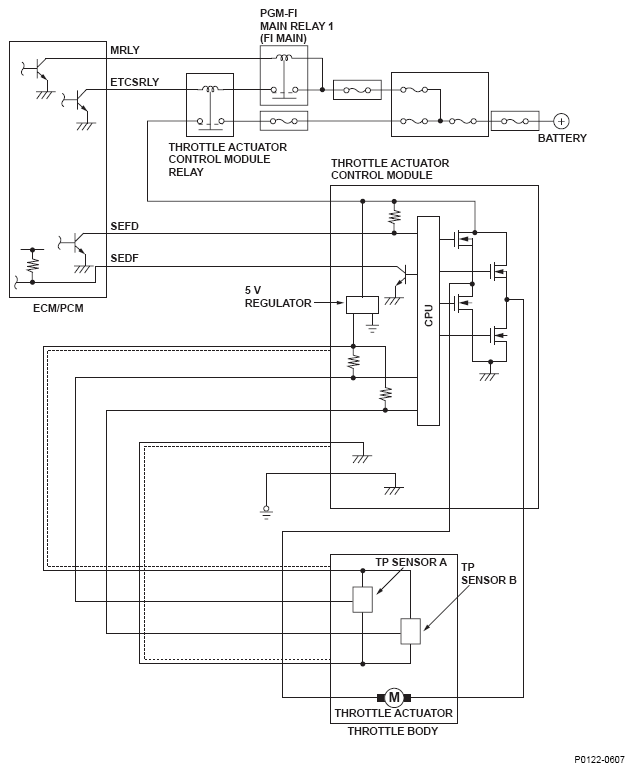
Fig 1: Throttle Actuator System Malfunction Circuit Diagram
G05616528