LEMON Manuals: Even more car manuals for everyone
Home >> Honda >> 2008 >> Fit Base, Standard >> Repair and Diagnosis >> Engine Performance >> System >> Advanced Diagnostics >> DTC P0506 (14): Idle Control System RPM Lower Than Expected (A/T) >> Notes

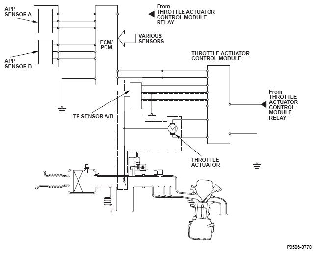
DTC P0506 (14): Idle Control System RPM Lower Than Expected (A/T): Notes

Fig 1: Idle Control System RPM Lower Than Expected - System Diagram
G05616643
Fig 2: Idle Control System Normal And Failure Operation
G04818011