LEMON Manuals: Even more car manuals for everyone
Home >> Honda >> 2008 >> Fit Base, Standard >> Repair and Diagnosis >> Engine Performance >> System >> Advanced Diagnostics >> DTC P0401 (80): Exhaust Gas Recirculation (EGR) Insufficient Flow (M/T) >> Notes

DTC P0401 (80): Exhaust Gas Recirculation (EGR) Insufficient Flow (M/T): Notes

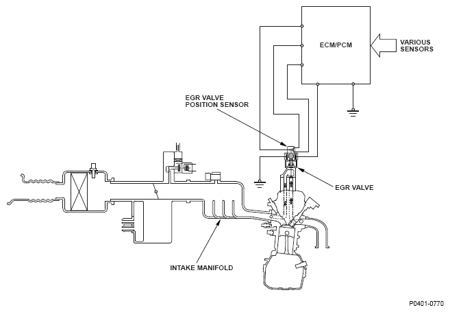
Fig 1: Exhaust Gas Recirculation (EGR) Insufficient Flow - System Diagram
G05616584
Fig 2: Exhaust Gas Recirculation (EGR) System Open And Close Position
G04816559