LEMON Manuals: Even more car manuals for everyone
Home >> Honda >> 2007 >> Ridgeline RT >> Repair and Diagnosis >> Engine Performance >> System >> PGM-FI System >> Knock Sensor Replacement

Knock Sensor Replacement

  1. Remove the intake manifold (see INTAKE MANIFOLD REMOVAL AND INSTALLATION ).
  2. Remove the injector rails and the base.
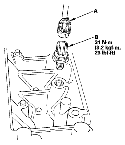
  3. Disconnect the knock sensor 1P connector (A), then remove the knock sensor (B).
    Fig 1: Lnock Sensor 1P Connector With Torque Specifications
    G05592202Courtesy of AMERICAN HONDA MOTOR CO., INC.
  4. Install the parts in the reverse order of removal.