LEMON Manuals: Even more car manuals for everyone
Home >> Honda >> 2007 >> Ridgeline RT >> Repair and Diagnosis >> Engine Performance >> System >> Advanced Diagnostics >> DTC P0506: Idle Control System RPM Lower Than Expected >> Notes

DTC P0506: Idle Control System RPM Lower Than Expected: Notes

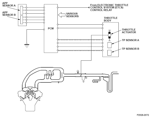
Fig 1: Idle Control System Diagram
G04838444
Fig 2: Idle Control System RPM - Graph
G04838445