LEMON Manuals: Even more car manuals for everyone
Home >> Honda >> 2007 >> Odyssey EX >> Repair and Diagnosis >> Engine Performance >> System >> Advanced Diagnostics >> DTC P1745: Problem in Shift Control System; Servo Control Valve Stuck OFF or Servo Valve Stuck OFF >> Notes

DTC P1745: Problem in Shift Control System; Servo Control Valve Stuck OFF or Servo Valve Stuck OFF: Notes

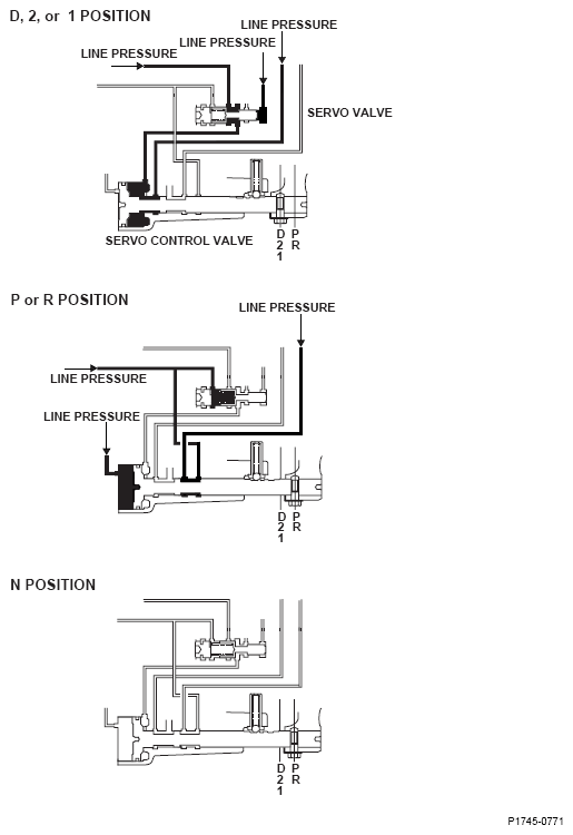
Fig 1: Shift Control System - Operation Diagram
G04827337
Fig 2: Gear Position Vs Shift Status Graph
G04823085
Fig 3: Shift Solenoid Valve Output (D Position)
G04827339