LEMON Manuals: Even more car manuals for everyone
Home >> Honda >> 2007 >> Odyssey EX >> Repair and Diagnosis >> Body & Frame >> Seats >> Driver Position Memory System (DPMS) >> Circuit Diagram - Power Seat

Circuit Diagram - Power Seat

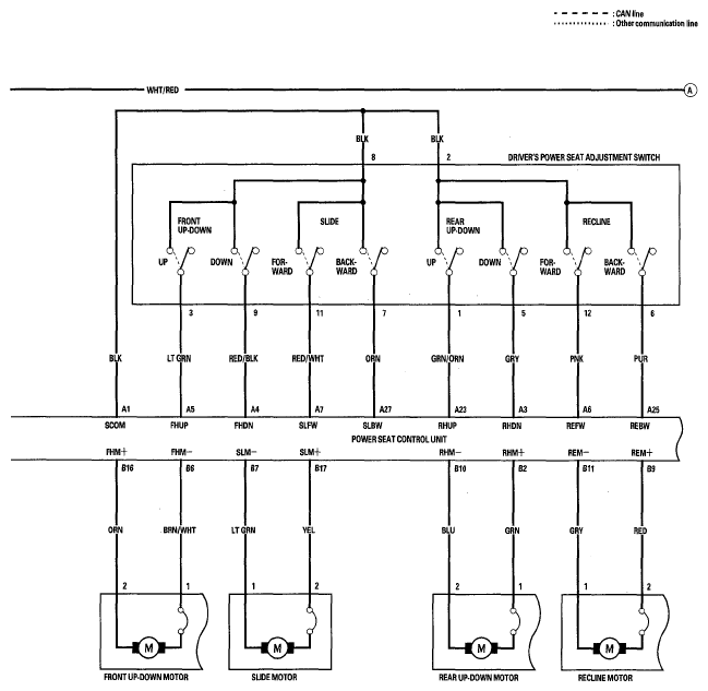
Fig 1: Power Seat - Circuit Diagram (1 Of 3)
G05526873Courtesy of AMERICAN HONDA MOTOR CO., INC.
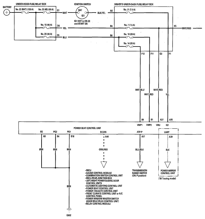
Fig 2: Power Seat - Circuit Diagram (2 Of 3)
G05526874Courtesy of AMERICAN HONDA MOTOR CO., INC.
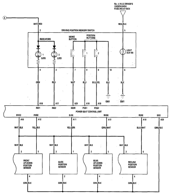
Fig 3: Power Seat - Circuit Diagram (3 Of 3)
G05526875Courtesy of AMERICAN HONDA MOTOR CO., INC.