LEMON Manuals: Even more car manuals for everyone
Home >> Honda >> 2007 >> Fit Base, Standard >> Repair and Diagnosis >> Engine Performance >> Ignition System >> Circuit Diagram

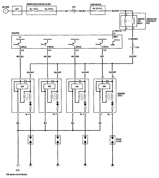
Circuit Diagram

Fig 1: Ignition System Circuit Diagram
G05454032Courtesy of AMERICAN HONDA MOTOR CO., INC.