LEMON Manuals: Even more car manuals for everyone
Home >> Honda >> 2007 >> Element SC, Standard >> Repair and Diagnosis >> External Pages >> Different car >> Section 73 (Driver Position Memory System (DPMS) (V6)) >> Circuit Diagram - Power Seat

Circuit Diagram - Power Seat

WARNING: This page does not describe the selected car, but rather 6 other vehicles, including the 2015 Honda Crosstour, 2014 Honda Crosstour, 2013 Honda Crosstour, 2012 Honda Crosstour, and 2011 Honda Accord Crosstour. However, it is still accessible from the selected car via links, so may be relevant.
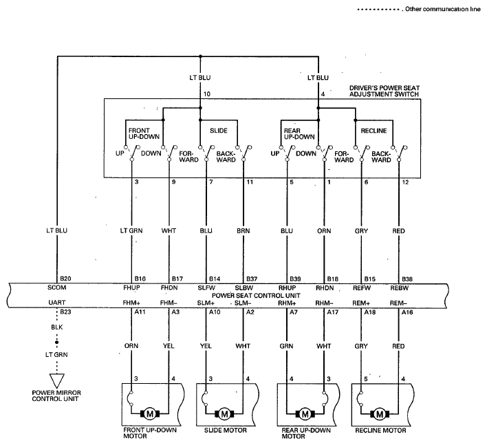
Fig 1: Power Seat - Circuit Diagram (1 Of 4)
G06420497Courtesy of ABLE BODY CORP.
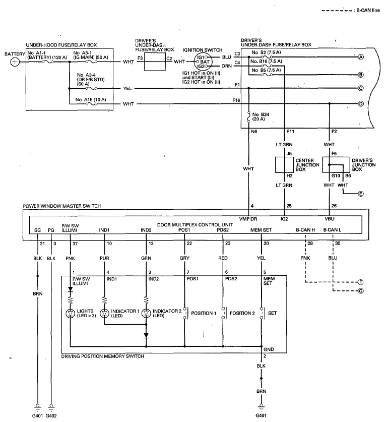
Fig 2: Power Seat - Circuit Diagram (2 Of 4)
G06420498Courtesy of ABLE BODY CORP.
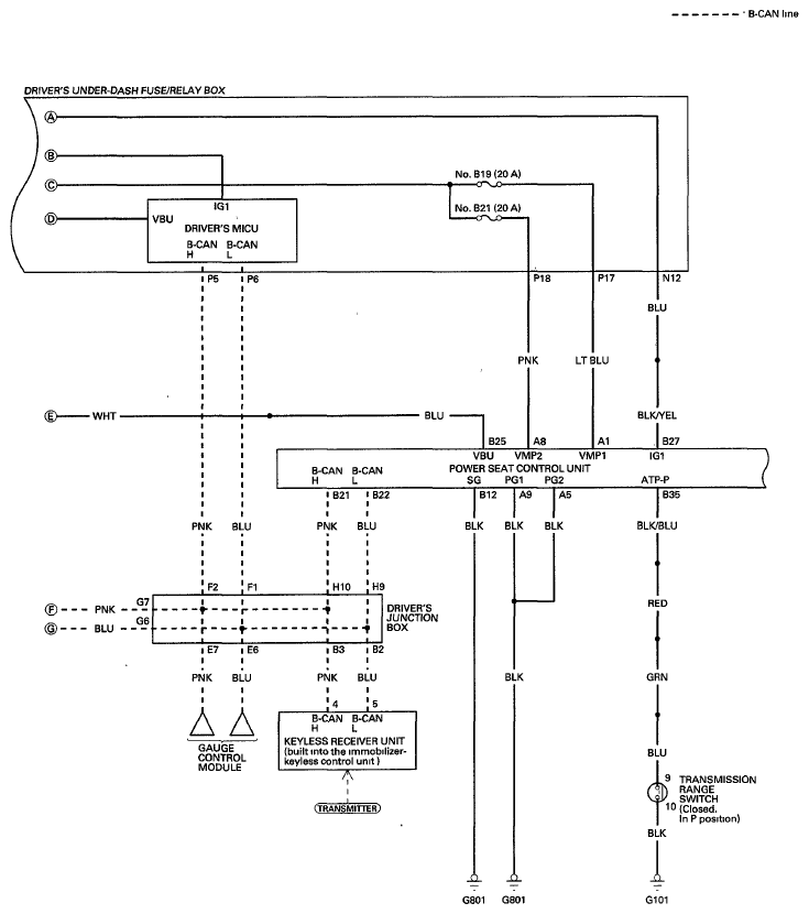
Fig 3: Power Seat - Circuit Diagram (3 Of 4)
G06420499Courtesy of ABLE BODY CORP.
Fig 4: Power Seat - Circuit Diagram (4 Of 4)
G06420500Courtesy of ABLE BODY CORP.