LEMON Manuals: Even more car manuals for everyone
Home >> Honda >> 2007 >> Element SC, Standard >> Repair and Diagnosis (Single Page) >> Engine Performance >> System >> Fuel And Emissions Systems >> System Description >> Electronic Control System >> ECM/PCM Electrical Connections

ECM/PCM Electrical Connections

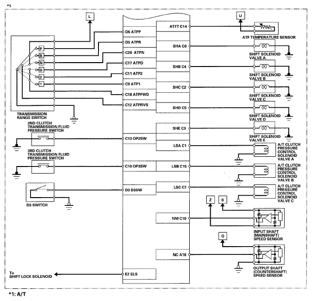
Fig 1: Identifying ECM/PCM Electrical Connections Diagram (1 Of 6)
G05448854Courtesy of AMERICAN HONDA MOTOR CO., INC.
Fig 2: Identifying ECM/PCM Electrical Connections Diagram (2 Of 6)
G05448855Courtesy of AMERICAN HONDA MOTOR CO., INC.
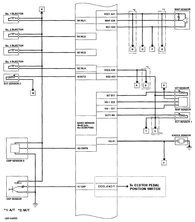
Fig 3: Identifying ECM/PCM Electrical Connections Diagram (3 Of 6)
G05448856Courtesy of AMERICAN HONDA MOTOR CO., INC.
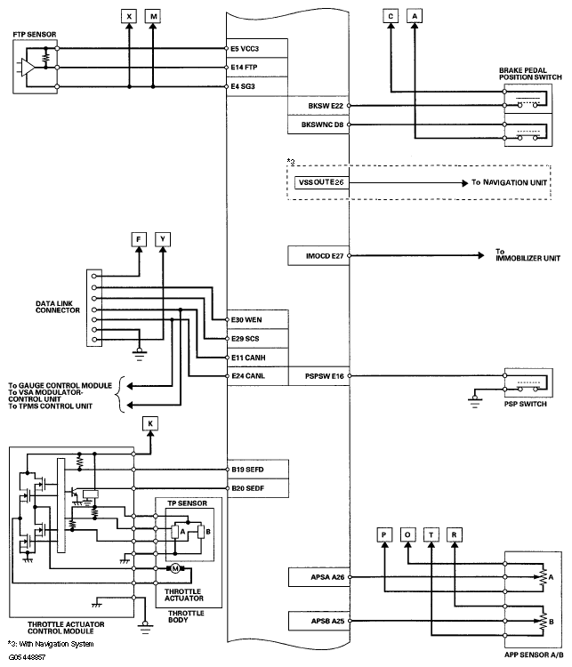
Fig 4: Identifying ECM/PCM Electrical Connections Diagram (4 Of 6)
G05448857Courtesy of AMERICAN HONDA MOTOR CO., INC.
Fig 5: Identifying ECM/PCM Electrical Connections Diagram (5 Of 6)
G05448858Courtesy of AMERICAN HONDA MOTOR CO., INC.
Fig 6: Identifying ECM/PCM Electrical Connections Diagram (6 Of 6)
G05448859Courtesy of AMERICAN HONDA MOTOR CO., INC.