LEMON Manuals: Even more car manuals for everyone
Home >> Honda >> 2007 >> Element SC, Standard >> Repair and Diagnosis (Single Page) >> Engine Performance >> System >> Advanced Diagnostics >> DTC P2552: Throttle Actuator Control Module Relay Malfunction >> Notes

DTC P2552: Throttle Actuator Control Module Relay Malfunction: Notes

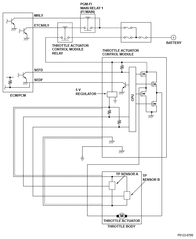
Fig 1: Throttle Position (TP) Sensor Circuit Diagram
G04826814