LEMON Manuals: Even more car manuals for everyone
Home >> Honda >> 2007 >> Element SC, Automatic >> Repair and Diagnosis >> Engine Performance >> System >> Fuel And Emissions Systems >> System Description >> Evaporative Emission (EVAP) Control Diagram >> Notes

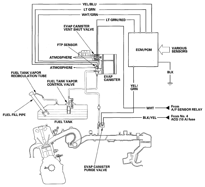
Evaporative Emission (EVAP) Control Diagram: Notes

The EVAP controls minimize the amount of fuel vapor escaping to the atmosphere. Vapor from the fuel tank is temporarily stored in the EVAP canister until it can be purged from the canister into the engine and burned.

The EVAP canister is purged by drawing fresh air through it and into a port on the intake manifold.

The purging vacuum is controlled by the EVAP canister purge valve, which operates whenever the engine coolant temperature is above 131°F (55°C).

Fig 1: Identifying Evaporative Emission (EVAP) Control Diagram
G05448893Courtesy of AMERICAN HONDA MOTOR CO., INC.