LEMON Manuals: Even more car manuals for everyone
Home >> Honda >> 2006 >> Ridgeline RT >> Repair and Diagnosis >> Engine Performance >> System >> Advanced Diagnostics >> DTC P2118: Throttle Actuator Current Range/Performance Problem >> Notes

DTC P2118: Throttle Actuator Current Range/Performance Problem: Notes

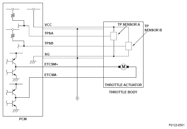
Fig 1: Throttle Actuator Current Range/Performance Circuit Diagram
G04838082