LEMON Manuals: Even more car manuals for everyone
Home >> Honda >> 2006 >> Insight Standard >> Repair and Diagnosis >> Engine Performance >> System >> Advanced Diagnostics >> DTC P0705: Short in Transmission Range Switch Circuit (Multiple Shift-position Input) >> Notes

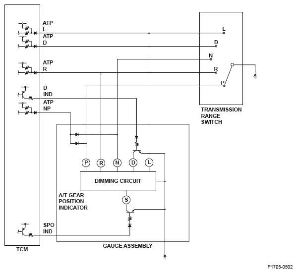
DTC P0705: Short in Transmission Range Switch Circuit (Multiple Shift-position Input): Notes

Fig 1: Short In Transmission Range Switch Circuit (Multiple Shift-Position Input) - Circuit Diagram
G04817807
TRANSMISSION RANGE SWITCH SPECIFICATION

Shift lever position Input per switch
P R N D L
P O X X X X
R X O X X X
N X X O X X
D X X X O X
L X X X X O
O: Closed X: Open