LEMON Manuals: Even more car manuals for everyone
Home >> Honda >> 2006 >> CR-V SE >> Repair and Diagnosis >> Engine Performance >> System >> Advanced Diagnostics >> DTC P2552: Throttle Actuator Control Module Relay Malfunction >> Notes

DTC P2552: Throttle Actuator Control Module Relay Malfunction: Notes

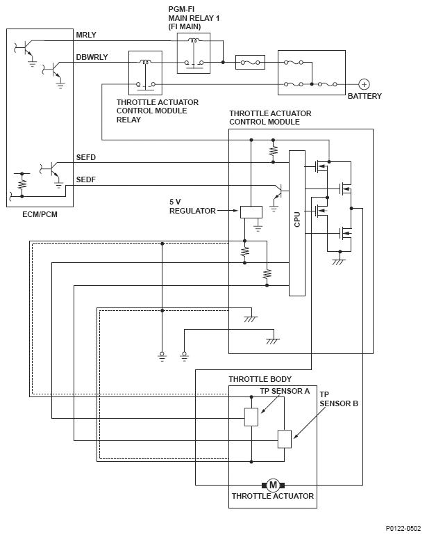
Fig 1: Throttle Position (TP) Sensor A Circuit - Wiring Diagram
G04823586