LEMON Manuals: Even more car manuals for everyone
Home >> Honda >> 2006 >> CR-V SE >> Repair and Diagnosis >> Engine Performance >> System >> Advanced Diagnostics >> DTC P1730: Problem in Shift Control System: >> Notes

DTC P1730: Problem in Shift Control System:: Notes

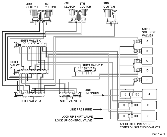
Fig 1: A/T Clutch Pressure Control Solenoid Valve A Stuck On - Circuit Diagram
G04816832

Hydraulic pressure supply to the clutch by shift solenoid valve output (D position)

Fig 2: Shift Solenoid Valve Output Chart
G04823769