LEMON Manuals: Even more car manuals for everyone
Home >> Honda >> 2005 >> Odyssey EX >> Repair and Diagnosis >> Accessories & Equipment >> Seats >> Driving Position Memory Systems (DPMS) >> Circuit Diagram

Circuit Diagram

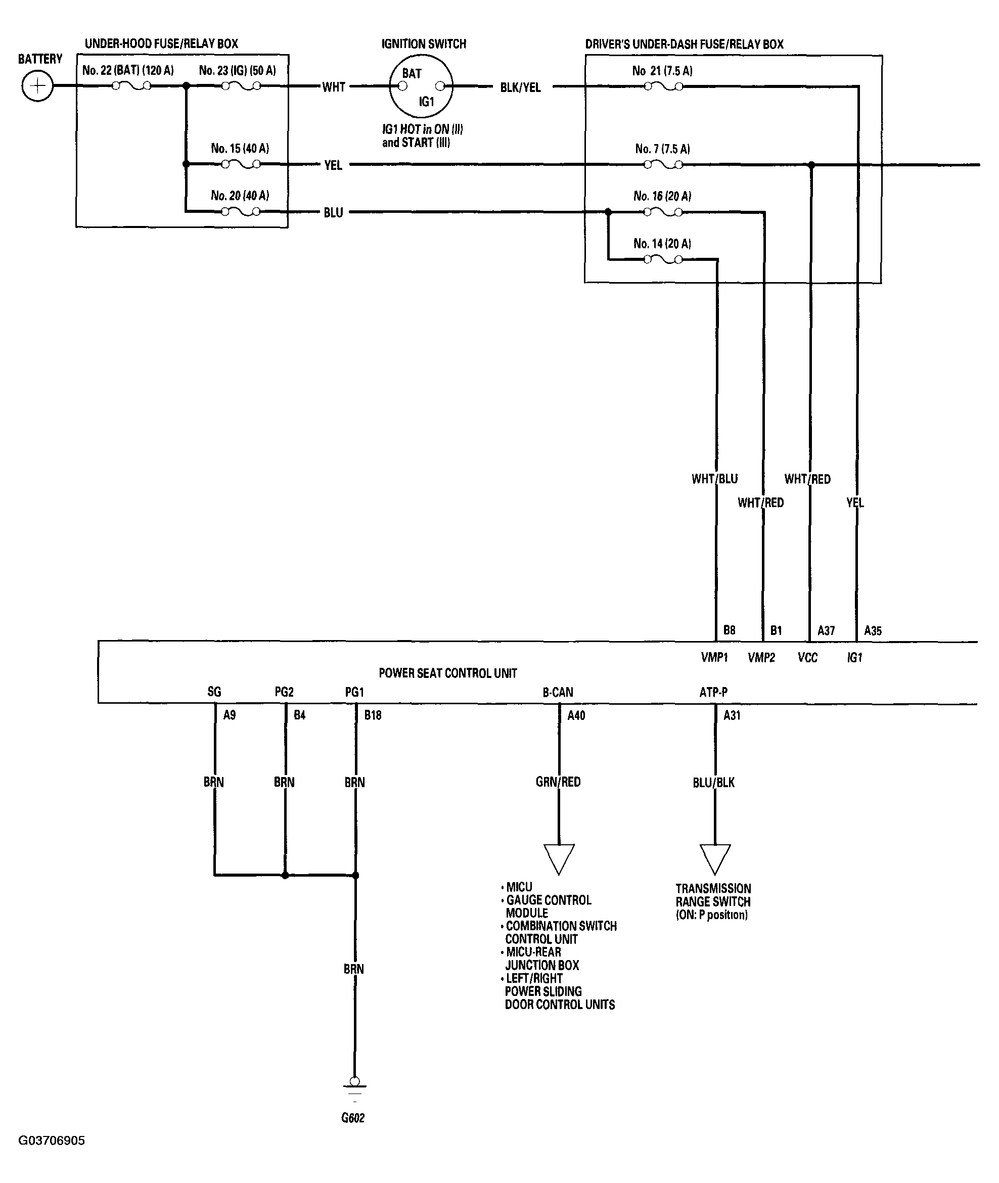
Fig 1: DPMS Circuit Diagram (1 Of 3)
G03706905Courtesy of AMERICAN HONDA MOTOR CO., INC.
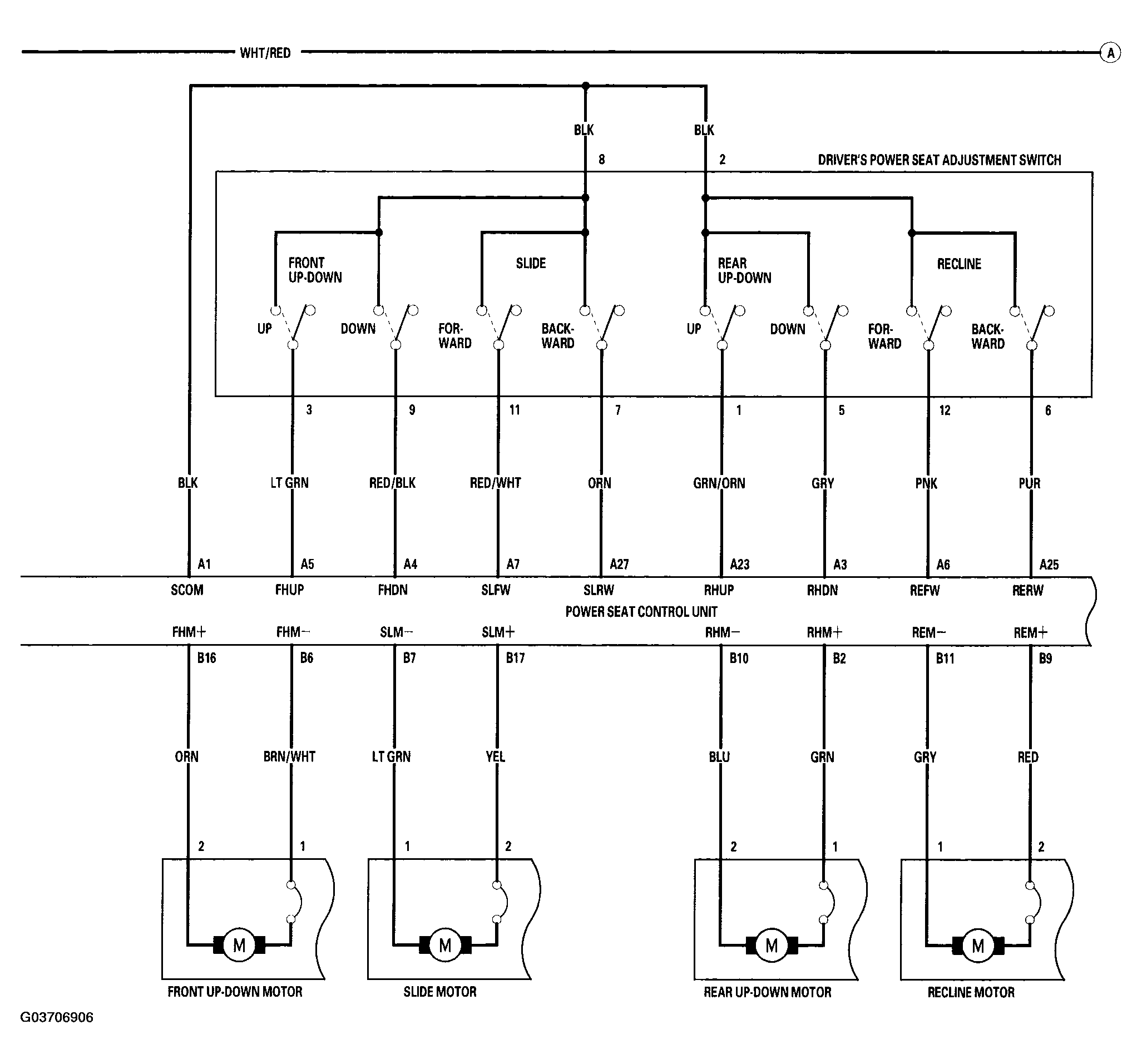
Fig 2: DPMS Circuit Diagram (2 Of 3)
G03706906Courtesy of AMERICAN HONDA MOTOR CO., INC.
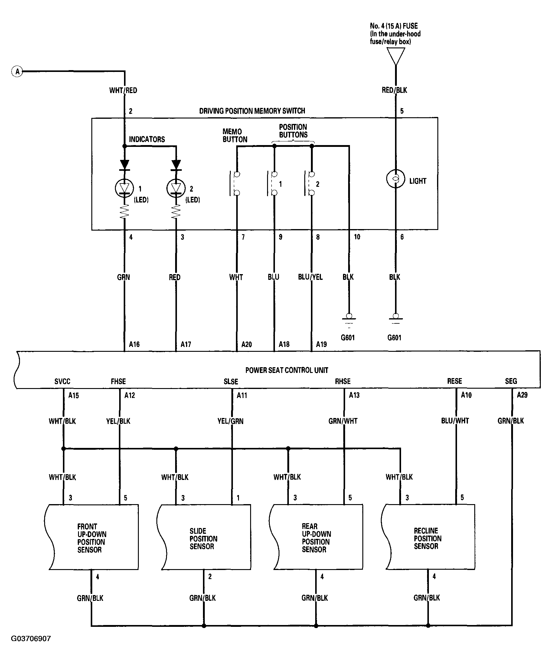
Fig 3: DPMS Circuit Diagram (3 Of 3)
G03706907Courtesy of AMERICAN HONDA MOTOR CO., INC.