LEMON Manuals: Even more car manuals for everyone
Home >> Honda >> 2004 >> Pilot EX >> Repair and Diagnosis >> Engine Performance >> Ignition System >> Ignition Systems >> Circuit Diagram

Circuit Diagram

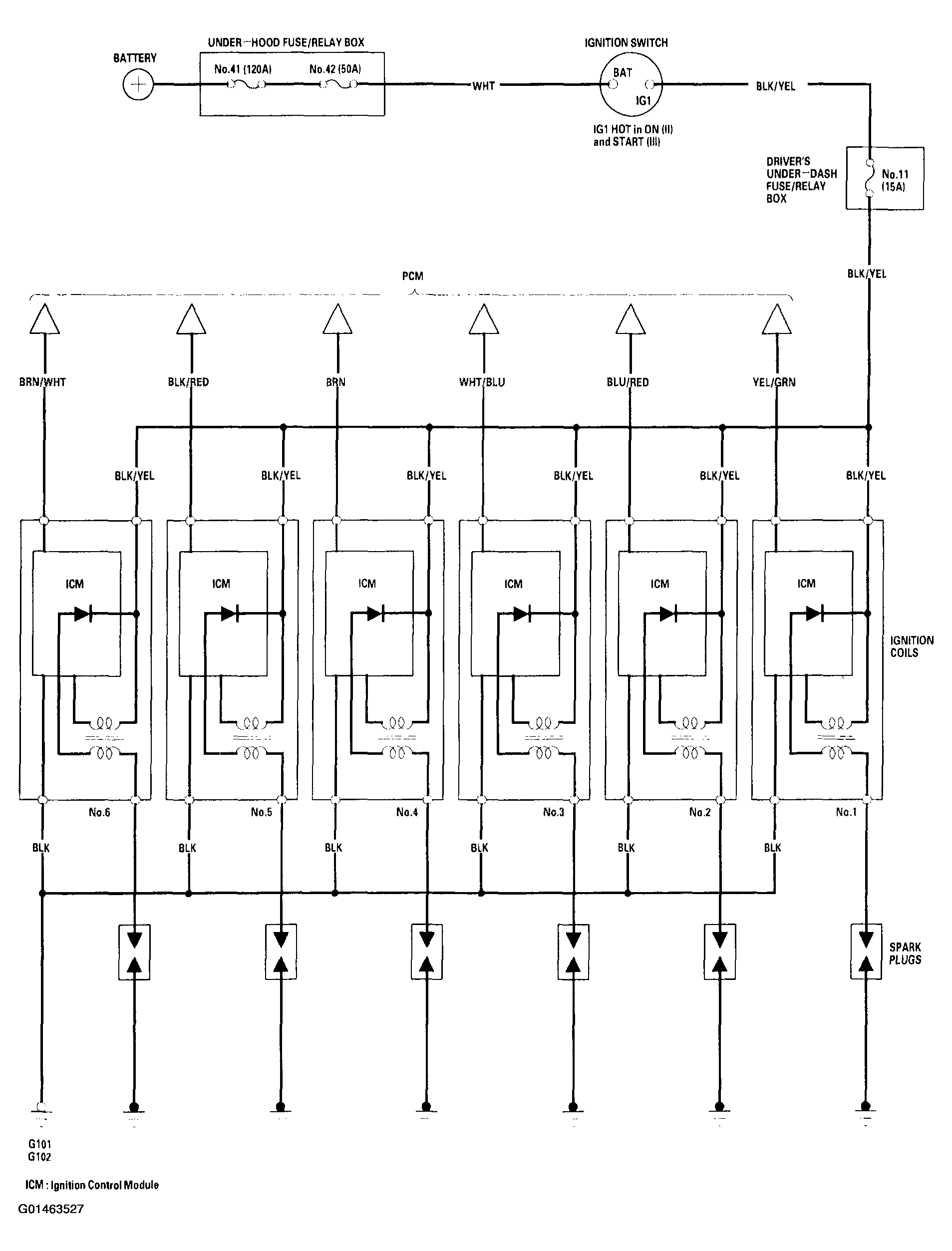
Fig 1: Ignition System Circuit Diagram
G01463527Courtesy of AMERICAN HONDA MOTOR CO., INC.