LEMON Manuals: Even more car manuals for everyone
Home >> Honda >> 2004 >> Pilot EX >> Repair and Diagnosis >> Accessories & Equipment >> Memory Modules >> Multiplex Control System >> Circuit Diagram

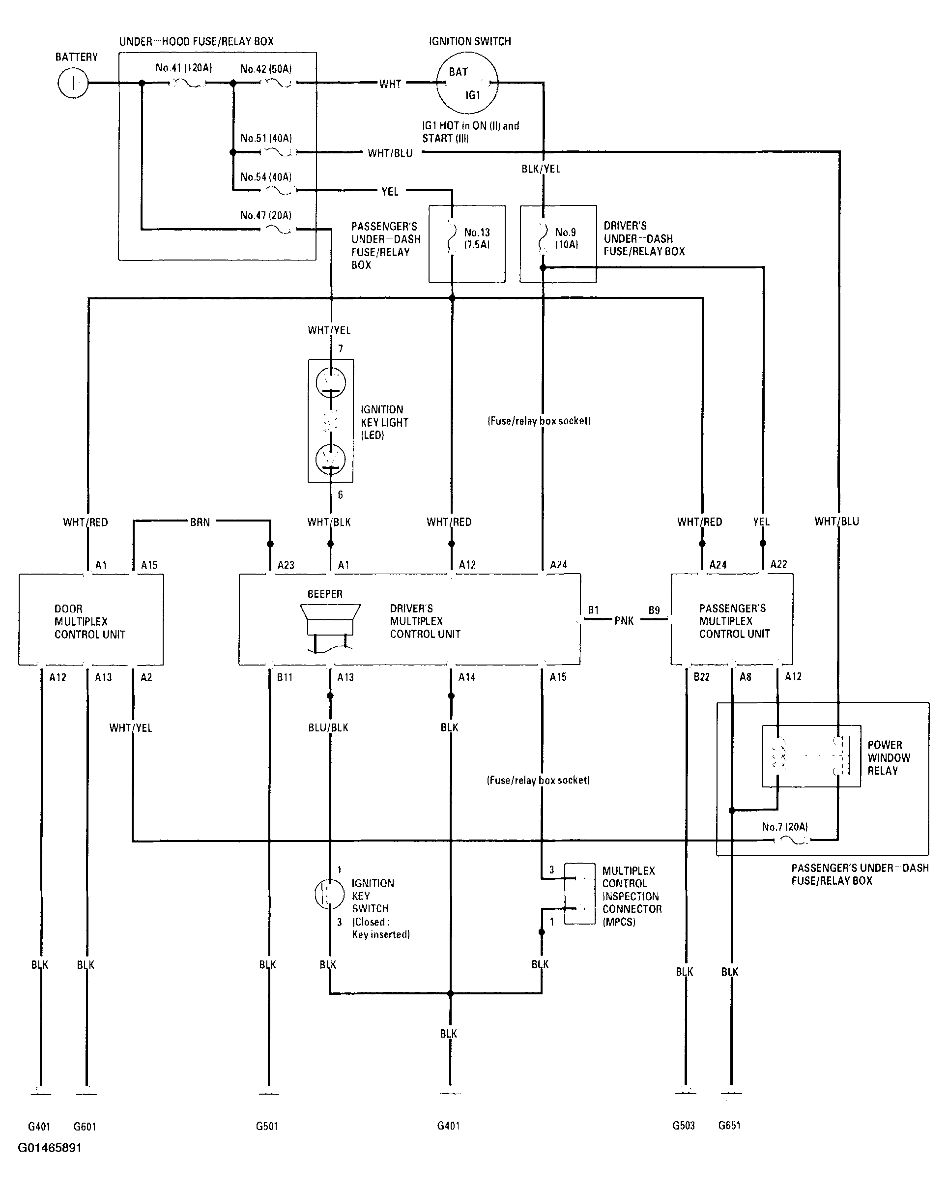
Circuit Diagram

Fig 1: Multiplex Control System Circuit Diagram
G01465891Courtesy of AMERICAN HONDA MOTOR CO., INC.