LEMON Manuals: Even more car manuals for everyone
Home >> Honda >> 2003 >> Pilot EX >> Repair and Diagnosis (Single Page) >> Engine Performance >> System >> Fuel & Emissions System >> System Descriptions >> PCM Data

PCM Data

You can retrieve data from the PCM by connecting the HDS or the scan tool to the data link connector (DLC). The items listed in the table below conform to SAE recommended practice. The HDS also reads data beyond that recommended by SAE to help you find the causes of intermittent problems.

NOTE:
  • The "operating values" listed are approximate and may vary depending on the environment and the individual vehicle.
  • Unless noted otherwise, "at idle speed" means idling with the engine completely warmed up, A/T in the Park or the neutral position, and the A/C and all accessories turned off.
Fig 1: PCM Data (1 Of 2)
G01463955Courtesy of AMERICAN HONDA MOTOR CO., INC.
Fig 2: PCM Data (2 Of 2)
G01463956Courtesy of AMERICAN HONDA MOTOR CO., INC.
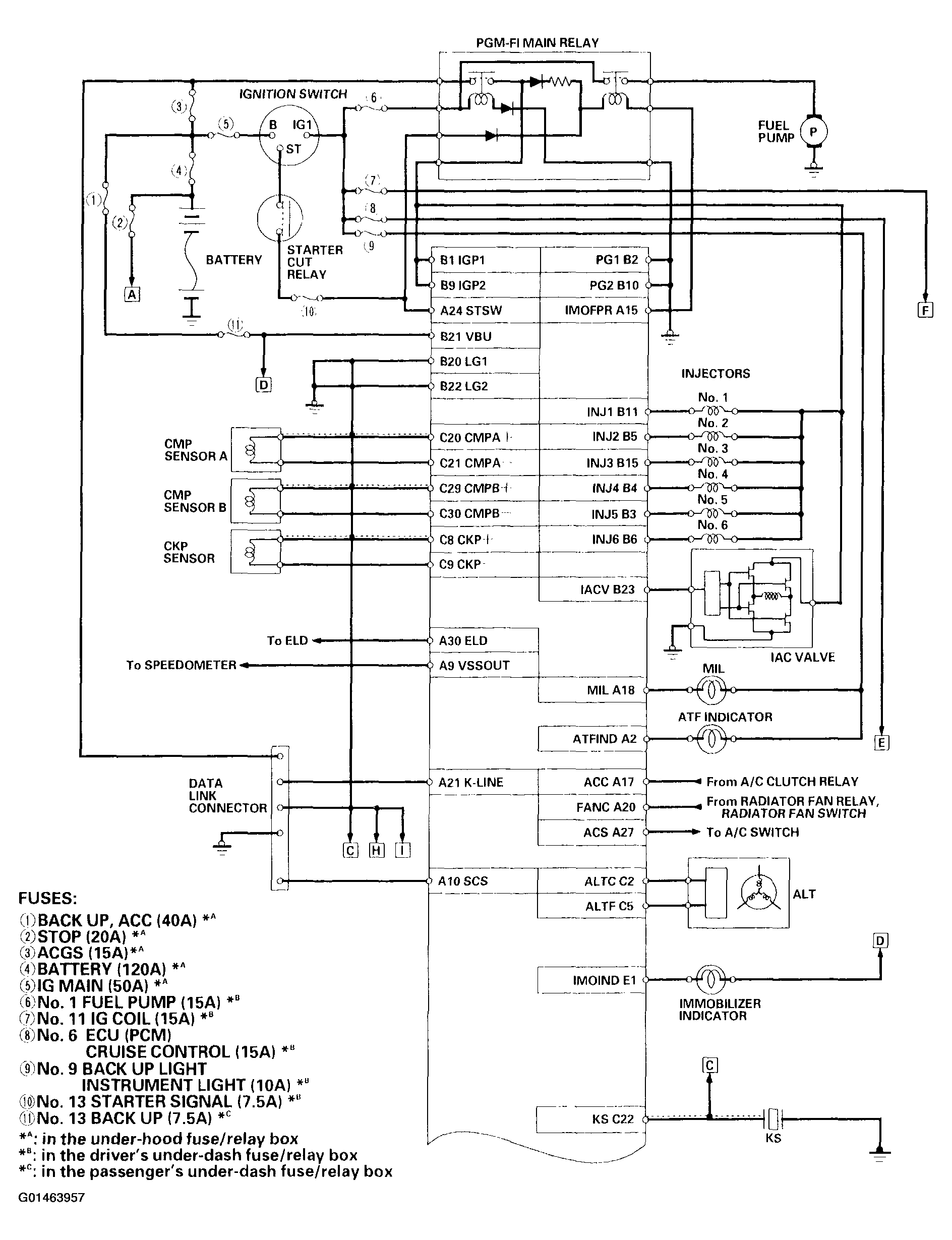
Fig 3: PCM Circuit Diagram (1 Of 3)
G01463957Courtesy of AMERICAN HONDA MOTOR CO., INC.
Fig 4: PCM Circuit Diagram (2 Of 3)
G01463958Courtesy of AMERICAN HONDA MOTOR CO., INC.
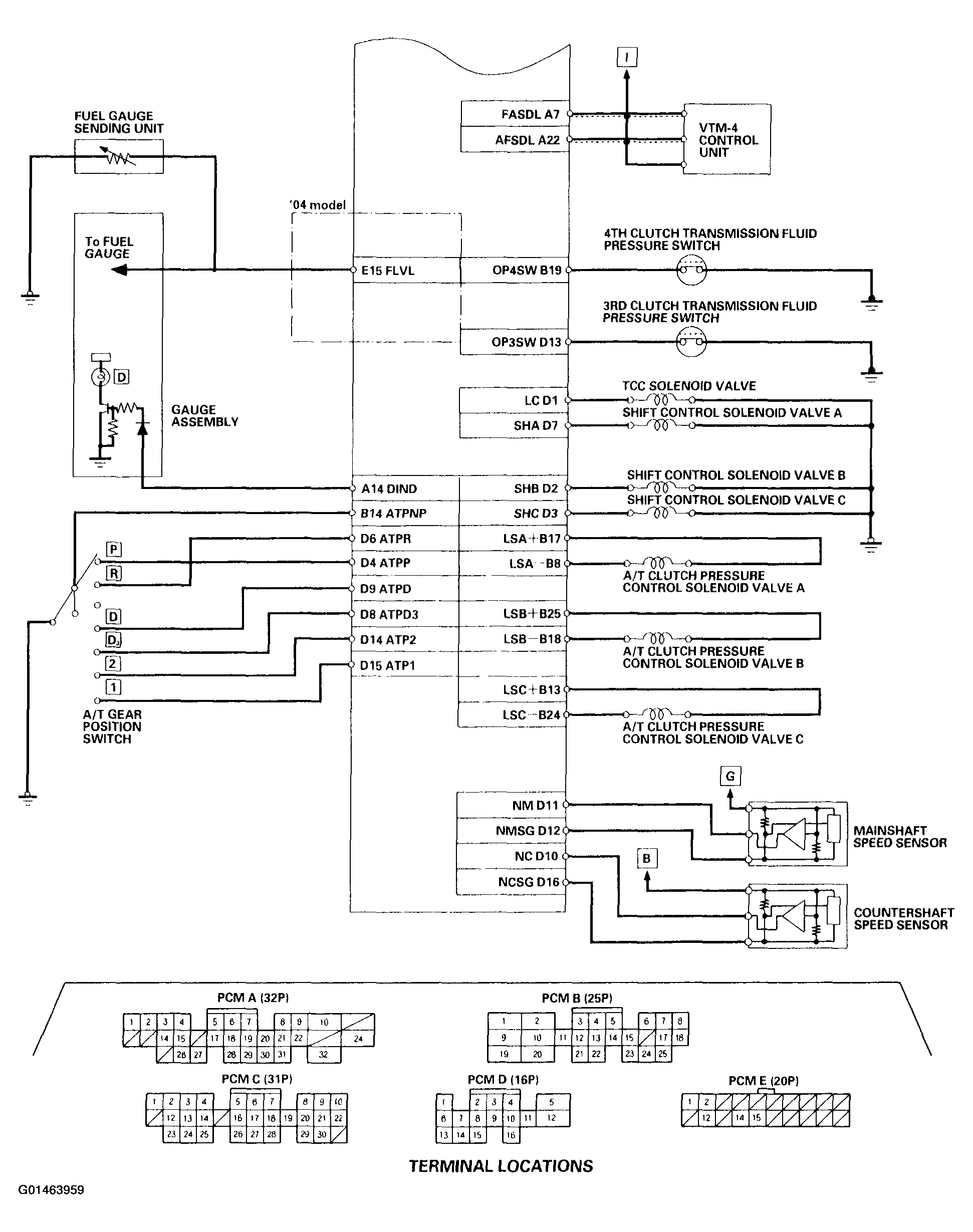
Fig 5: PCM Circuit Diagram (3 Of 3)
G01463959Courtesy of AMERICAN HONDA MOTOR CO., INC.