LEMON Manuals: Even more car manuals for everyone
Home >> Honda >> 2000 >> S2000 >> Repair and Diagnosis >> Engine Performance >> System >> Fuel Supply System >> Fuel Line/Quick-Connect Fitting Installation

Fuel Line/Quick-Connect Fitting Installation

NOTE: Before you work on the fuel line and fittings, read the "Fuel Line/Quick-Connect Fitting Precautions" (see FUEL LINE/QUICK-CONNECT FITTING PRECAUTIONS  ).
  1. Check the contact area (A) of the line (B) for dirt and damage, and clean if necessary.
    Fig 1: Inspecting Fuel Line/Quick-Connect Fitting
    G03692772Courtesy of AMERICAN HONDA MOTOR CO., INC.
  2. Insert a new retainer (A) into the connector (B) if the retainer is damaged, or after:
    • replacing the fuel tank unit.
    • replacing the fuel filter.
    • replacing the fuel feed line.
    • removing the retainer from the line.
    • replacing the fuel return line.
      Fig 2: Inserting New Retainer Into Connector
      G03692773Courtesy of AMERICAN HONDA MOTOR CO., INC.
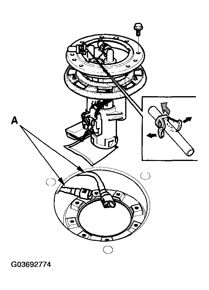
  3. Before connecting a new fuel tube/quick-connect fitting assembly (A), remove the old retainer from the mating line.
    Fig 3: Removing Old Retainer From Mating Line
    G03692774Courtesy of AMERICAN HONDA MOTOR CO., INC.
  4. Align the quick-connect fittings with the line (A), and align the retainer (B) locking pawls with the connector (C) grooves. Then press the quick-connect fittings onto the line until both retainer pawls lock with a clicking sound.
    NOTE: If it is hard to connect, put a small amount of new engine oil on the line end.
    Fig 4: Aligning Quick-Connect Fittings With Line (Connection With New Retainer)
    G03692775Courtesy of AMERICAN HONDA MOTOR CO., INC.
    Fig 5: Aligning Quick-Connect Fittings With Line (Connection To New Fuel Line)
    G03692776Courtesy of AMERICAN HONDA MOTOR CO., INC.
  5. When you reconnect the connector with the old retainer, make sure the connection is secure and the tabs (A) are firmly locked into place; check visually and also by pulling the connector (B). When you replace the fuel line with a new one, make sure you remove the ring pull (C) upwards after you confirm the connection is secure.
    NOTE: Before you remove the ring pull, make sure the fuel line connection is secure. If the connection is not secure, the ring pull could break when you try to remove it.
    Fig 6: Connecting Connector With Old Retainer (Reconnecting To Existing Retainer)
    G03692777Courtesy of AMERICAN HONDA MOTOR CO., INC.
  6. Reconnect the negative cable to the battery, and turn the ignition switch ON (II). The fuel pump will run for about 2 seconds, and fuel pressure will rise. Repeat this two or three times, and check that there is no leakage in the fuel supply system.