LEMON Manuals: Even more car manuals for everyone
Home >> Honda >> 2000 >> S2000 >> Repair and Diagnosis >> Engine Performance >> System >> Fuel And Emissions Systems >> System Description >> ECM Data >> ECM Electrical Connections

ECM Electrical Connections

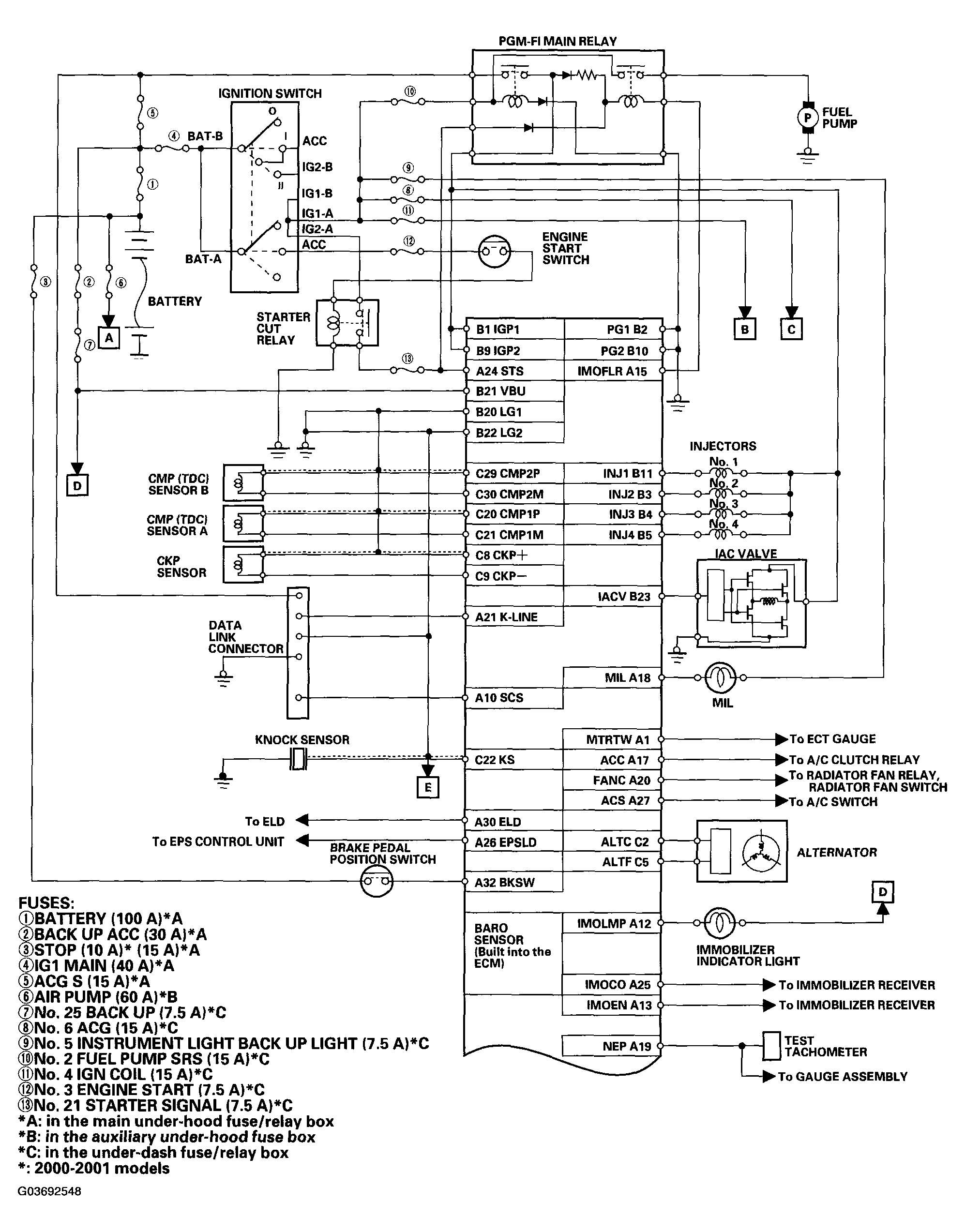
Fig 1: Identifying ECM Electrical Connections Diagram (1 Of 2)
G03692548Courtesy of AMERICAN HONDA MOTOR CO., INC.
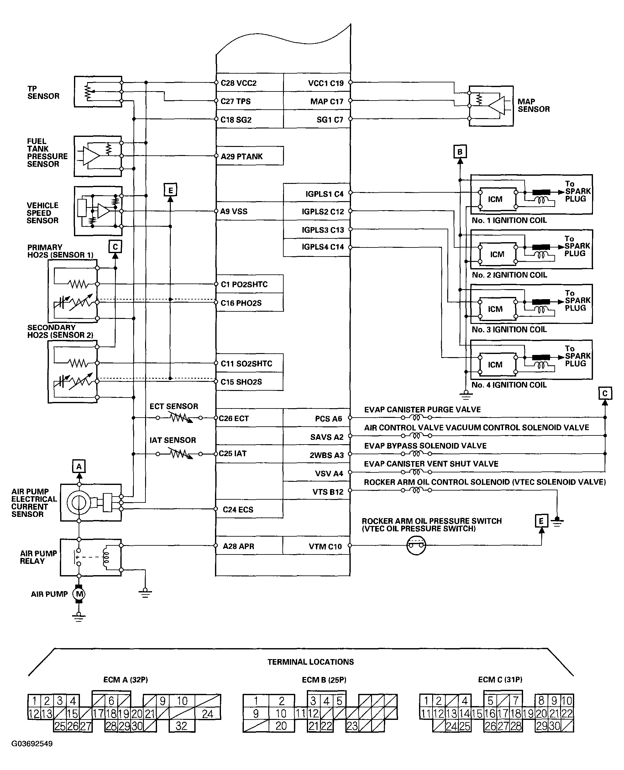
Fig 2: Identifying ECM Electrical Connections Diagram (2 Of 2)
G03692549Courtesy of AMERICAN HONDA MOTOR CO., INC.