LEMON Manuals: Even more car manuals for everyone
Home >> Honda >> 2000 >> S2000 >> Repair and Diagnosis >> Body & Frame >> Windows >> Power Windows >> Circuit Diagram

Circuit Diagram

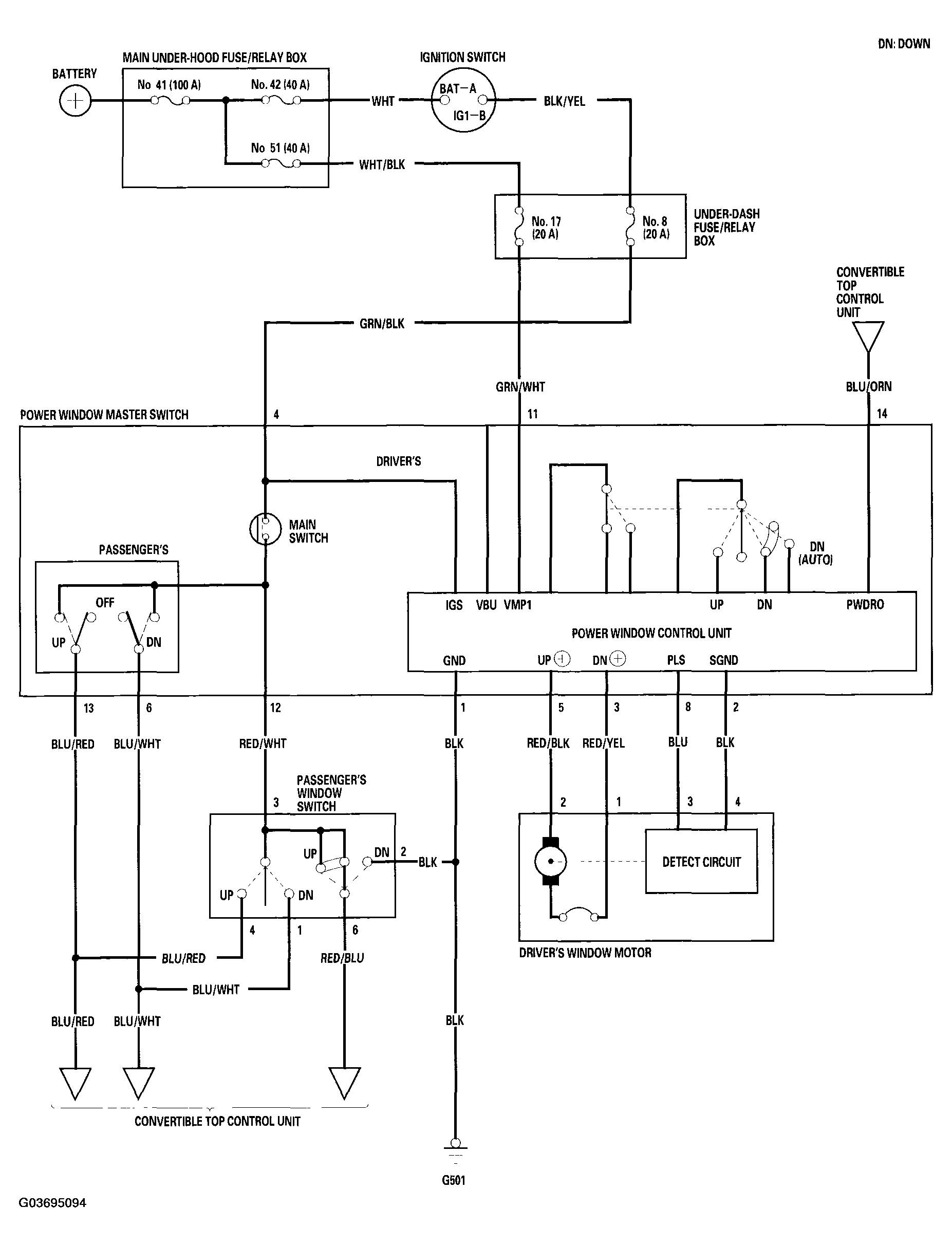
Fig 1: Identifying Power Window Circuit Diagram
G03695094Courtesy of AMERICAN HONDA MOTOR CO., INC.