LEMON Manuals: Even more car manuals for everyone
Home >> Geo >> 1994 >> Prizm Base, Standard >> Repair and Diagnosis >> Engine Performance >> System >> Engine Controls - Tests W/Codes >> Diagnostic Code Charts (PRIZM) >> Code 14 (PRIZM) - >> Diagnostic Aids

Diagnostic Aids

An intermittent condition may be caused by poor connection, rubbed-through insulation, or a broken wire inside insulation. Check ECM harness connectors for backed-out terminals, improper mating, broken locks, improperly formed or damaged terminals, and poor terminal-to-wire connections before component replacement.

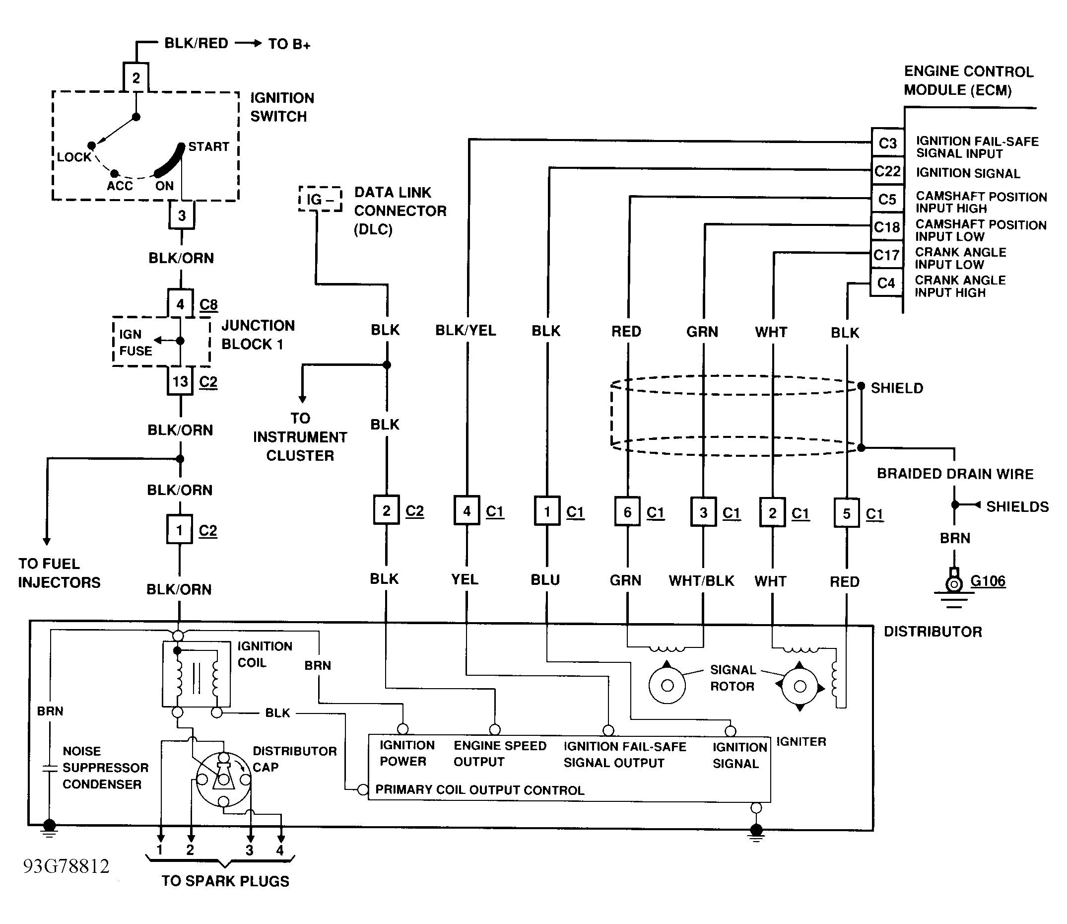
Fig 1: CODE 14 - Schematic (Prizm) No Ignition Signal
G93G78812
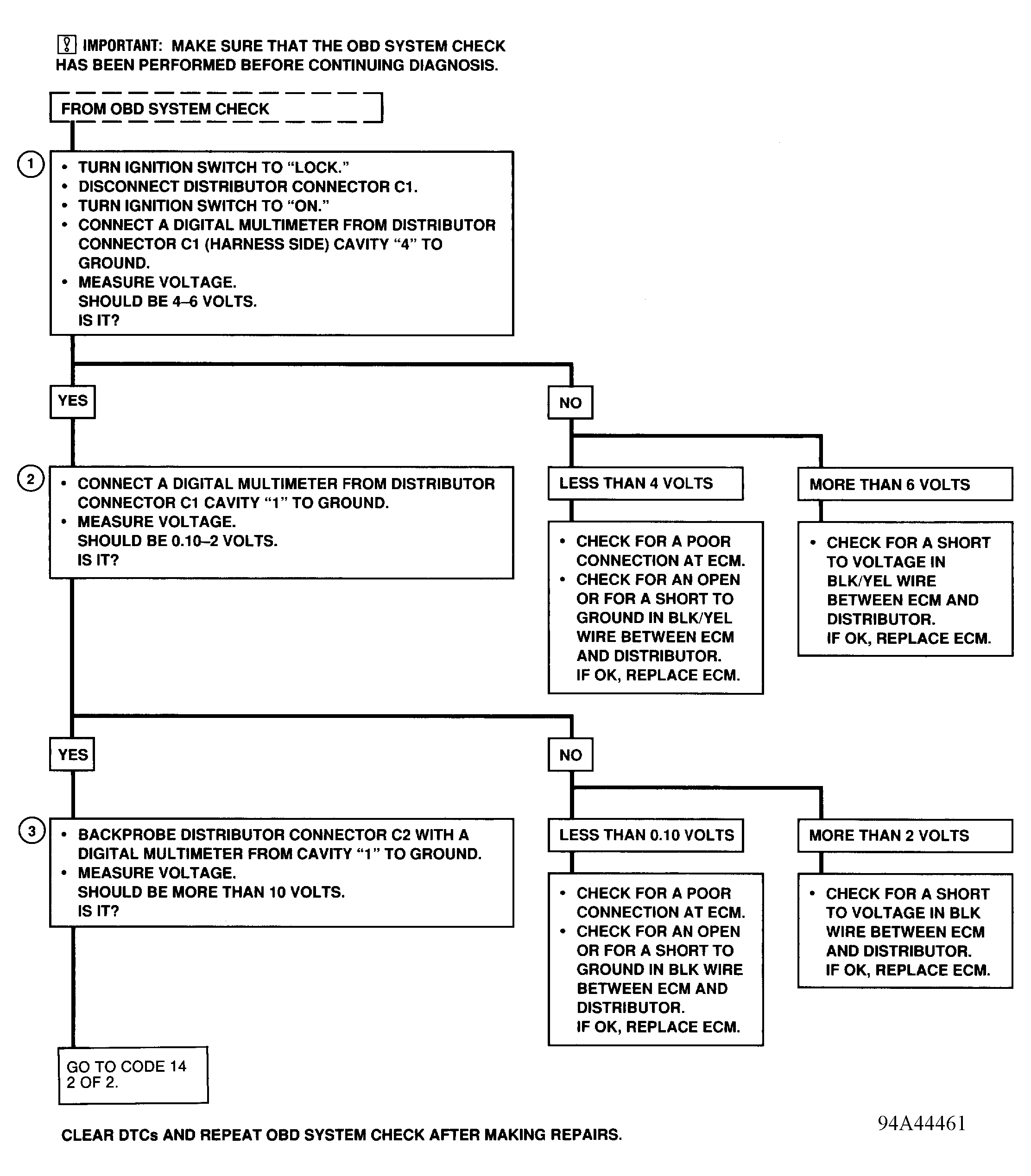
Fig 2: CODE 1 - Flow Chart (Prizm) (1 OF 2) No Ignition Signal
G94A44461
Fig 3: CODE 14 - Flow Chart (Prizm) (2 OF 2) No Ignition Signal
G93A78816