LEMON Manuals: Even more car manuals for everyone
Home >> Geo >> 1994 >> Prizm Base, Standard >> Repair and Diagnosis >> Engine Performance >> System >> Engine Controls - Basic Testing >> DIAGNOSTIC CHARTS - EXCEPT LSi >> Chart A1-7A, Fuel System Diagnosis (Circuit Opening Relay Check) >> Diagnostic Aids

Diagnostic Aids

A restricted or leaking fuel feed pipe or hose will cause an "engine cranks but will not run" condition. Check fuel sender assembly connections inside fuel tank for poor connection. See CHART A1-7B  for fuel pressure test.

An intermittent may be caused by a poor connection, rubbed-through wire insulation, or a wire broken inside insulation. Inspect harness connectors for backed-out terminals, improper mating, broken locks, improperly formed or damaged terminals, and poor terminal-to-wire connections before replacing components.

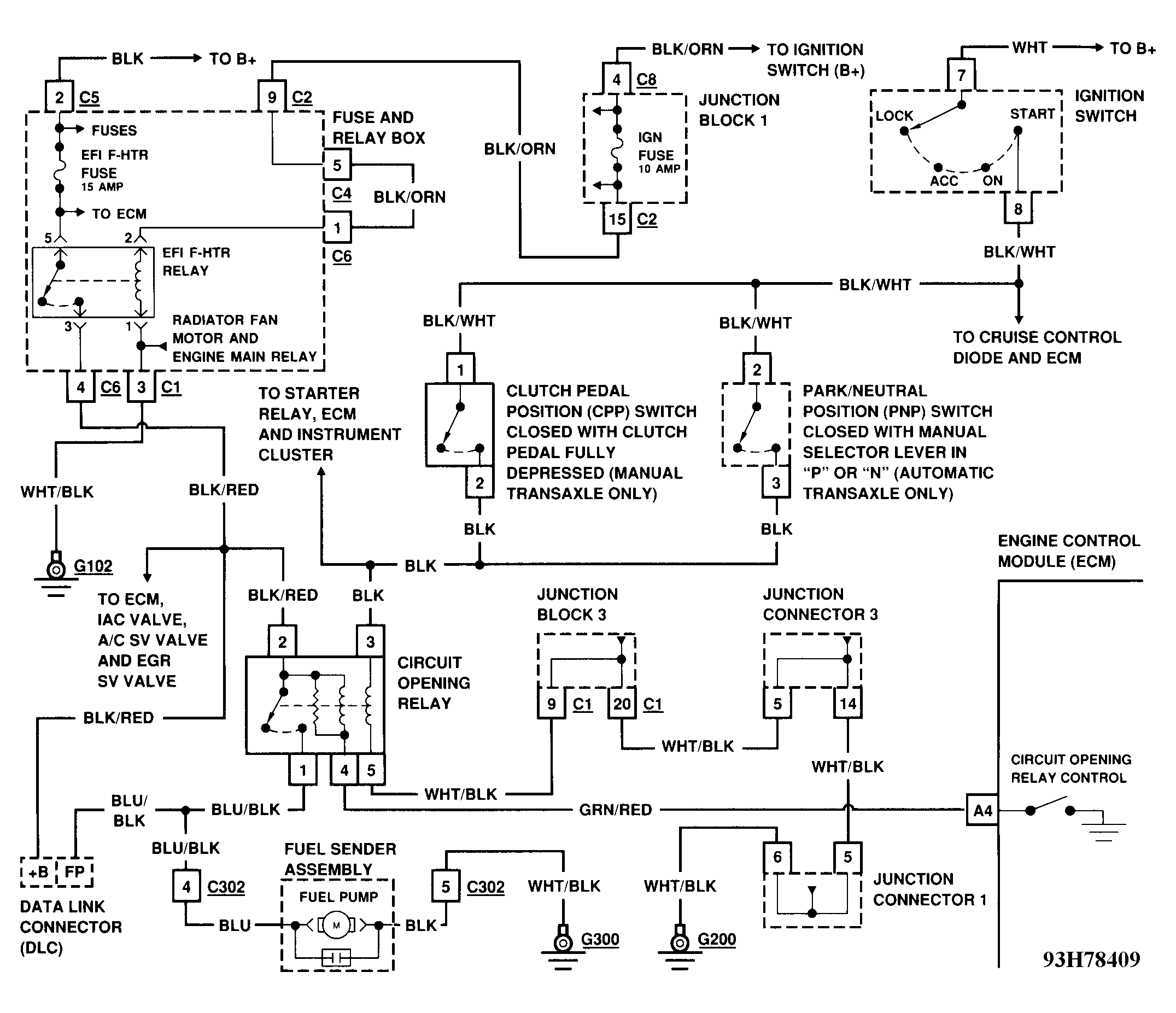
Fig 1: Chart A1-7A Schematic - Except LSi Fuel System Diagnosis - Circuit Opening Relay Check
G93H78409
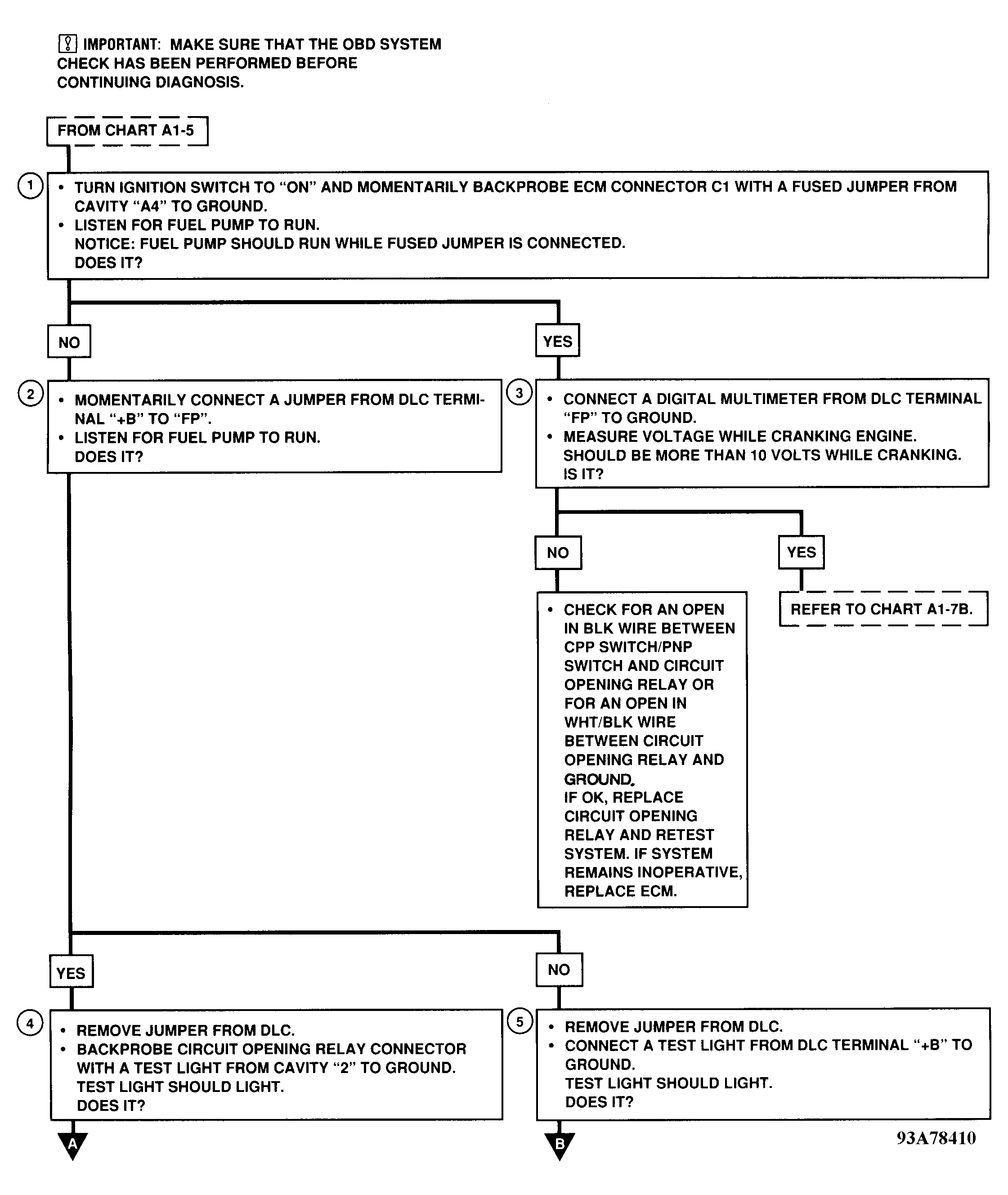
Fig 2: Chart A1-7A Flow Chart - Except LSi Fuel System Diagnosis - Circuit Opening Relay Check - 1 of 2
G93A78410
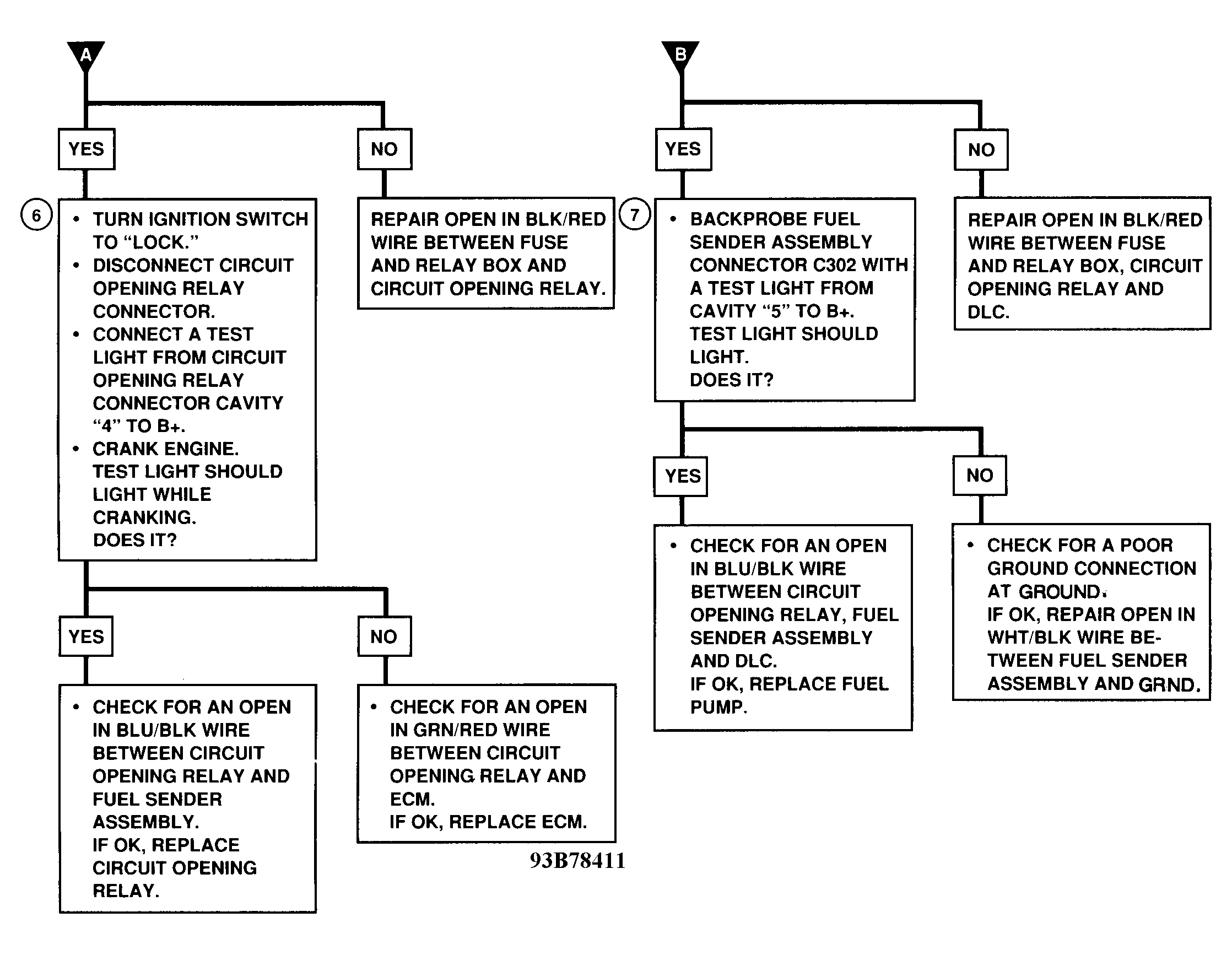
Fig 3: Chart A1-7A Flow Chart - Except LSi Fuel System Diagnosis - Circuit Opening Relay Check - 2 of 2
G93B78411