LEMON Manuals: Even more car manuals for everyone
Home >> Geo >> 1994 >> Prizm Base, Automatic >> Repair and Diagnosis >> Engine Performance >> System >> Engine Controls - Tests W/Codes >> Diagnostic Code Charts (PRIZM) >> On-Board Diagnostic (OBD) System Check (PRIZM)

On-Board Diagnostic (OBD) System Check (PRIZM)

On-board diagnostic system check is an organized approach in identifying a problem created by an electronic engine system malfunction. It must be the starting point for any driveability complaint diagnosis, because it directs the service technician to the next logical step in diagnosing a complaint. Understanding the chart and using it correctly will reduce diagnostic time and prevent unnecessary replacement of good parts.

NOTE: Test numbers refer to test numbers on diagnostic chart.
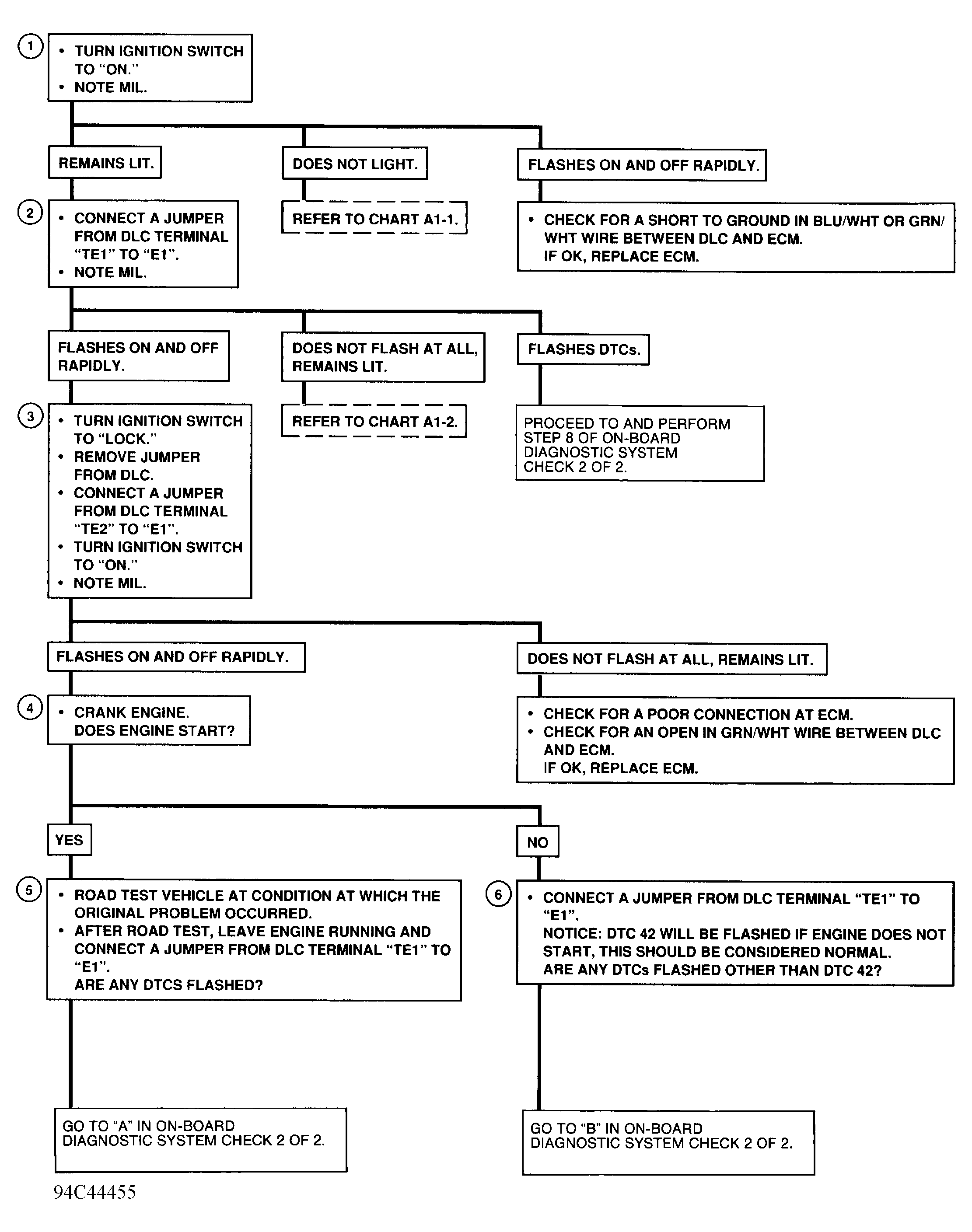
  1. Checks Malfunction Indicator Light (MIL) operation with ignition switch in ON position.
  2. Checks if ECM's normal diagnostic mode is operating.
  3. Checks if ECM's test diagnostic mode is operating.
  4. Checks if engine will start.
  5. Checks for any codes that are stored in ECM's memory with engine running.
  6. Checks for any codes that are stored in ECM's memory with engine off. If no other codes than Code 42 are set and engine won't start, go to appropriate CHART A1-3 in BASIC TESTING article in the ENGINE PERFORMANCE Section.
  7. Checks if Code 51 (Switch Condition Signal) is functioning.
  8. This step checks if code(s) are intermittent problems.
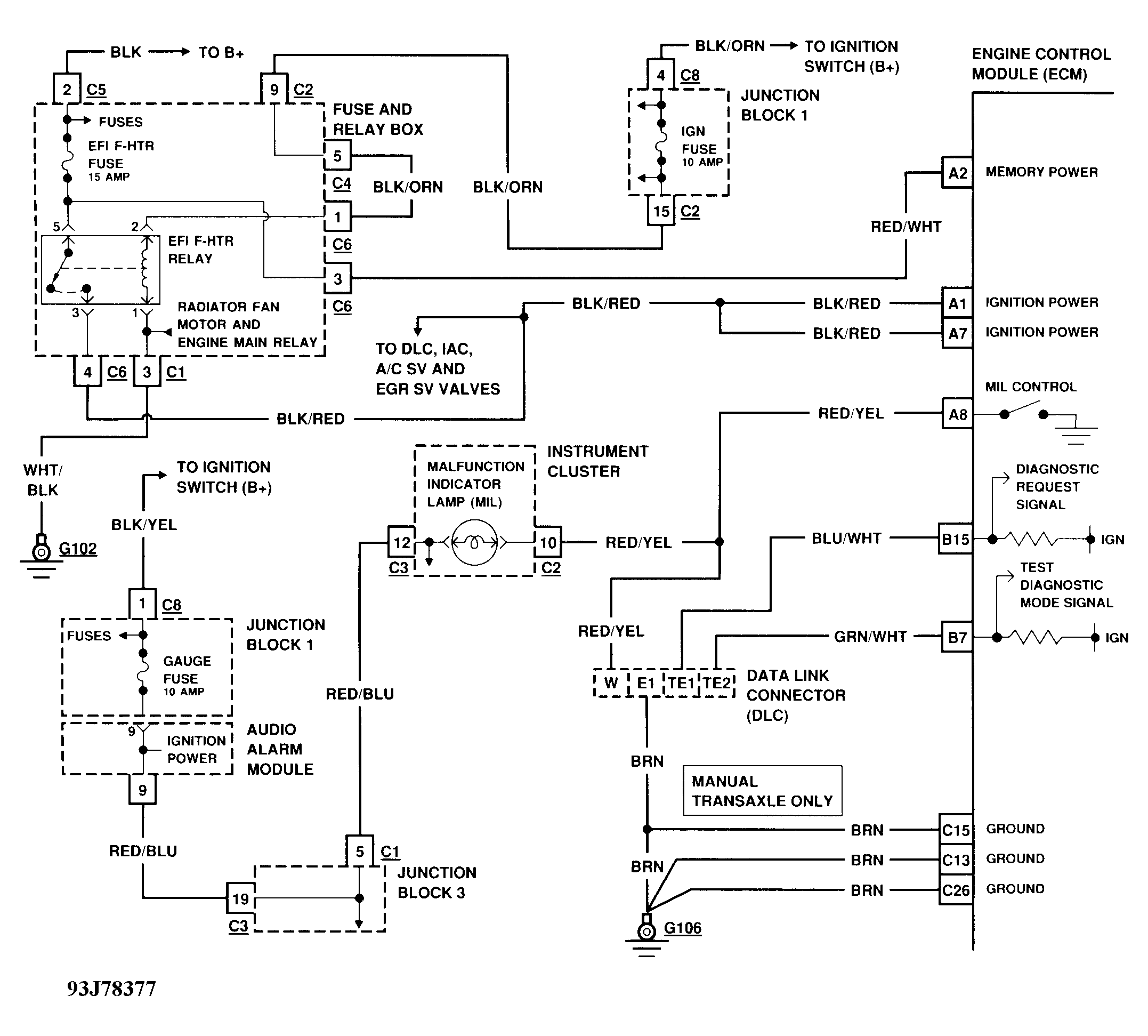
Fig 1: On-Board Diagnostic (OBD) System Check - Schematic Prizm
G93J78377
Fig 2: On-Board Diagnostic (OBD) System Check - Flow Chart (1 OF 2) Prizm
G94C44455
Fig 3: On-Board Diagnostic (OBD) System Check - Flow Chart (2 OF 2) Prizm
G93A78808