LEMON Manuals: Even more car manuals for everyone
Home >> Geo >> 1991 >> Tracker Base, 4WD, Automatic >> Repair and Diagnosis >> Engine Performance >> System >> Engine Controls - Basic Testing >> Chart A-3, Cranks But Won't Run >> Diagnostic Aids

Diagnostic Aids

Water or foreign material in fuel can cause a no-start condition or lack of power. Low fuel pressure can lower air/fuel ratio, resulting in a no-start condition. If 5-volt reference signal to MAP sensor is grounded, a no-start condition may exist, but Code 31 or 32 may not be set.

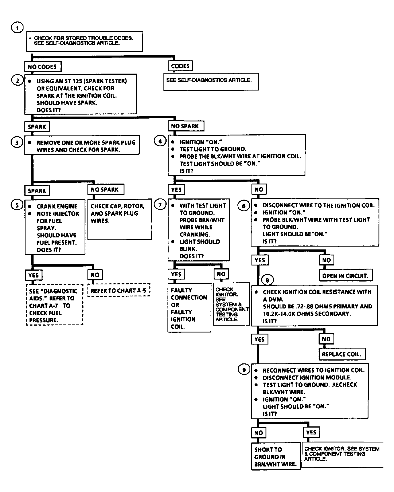
Fig 1: Chart A-3, Flow Chart, Cranks But Won't Run
G91F16779Courtesy of GENERAL MOTORS CORP.
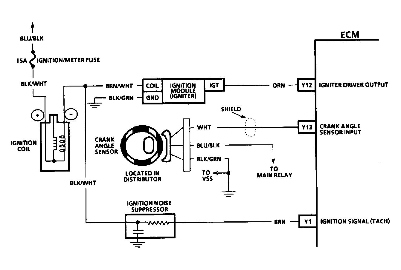
Fig 2: Chart A-3, Schematic, Cranks But Won't Run
G91E16778Courtesy of GENERAL MOTORS CORP.

CHART A-5, CRANKS BUT WON'T RUN (FUEL INJECTOR PROBLEM)

Voltage is supplied from ECM to injector on Red wire. ECM controls fuel injectors by controlling ground on Yellow wire. ECM controls injector operation based on input signals received from various sensors.

NOTE: Test numbers refer to test numbers on diagnostic chart.
  1. Injector should operate when engine is cranking.
  2. Injector must have proper resistance to operate correctly.
  3. This checks for an open circuit between ECM connector and injector connector. ECM is located under left side of instrument panel, near kick panel.
  4. This checks for defective injector or fuel pressure.


If fuel injector is okay, check fuel pump operation. See CHART A-5, ENGINE CRANKS BUT WILL NOT RUN (FUEL PUMP PROBLEM). If injector coil and wiring circuit are okay, and some fuel spray exists, injector may be partially clogged and should be replaced.

Fig 1: Chart A-5, Flow Chart, Cranks But Won't Run
G50J12210Courtesy of GENERAL MOTORS CORP.
Fig 2: Chart A-5, Schematic, Cranks But Won't Run
G91J16781Courtesy of GENERAL MOTORS CORP.