LEMON Manuals: Even more car manuals for everyone
Home >> Geo >> 1990 >> Tracker Base, Standard >> Repair and Diagnosis >> Engine Performance >> System >> Engine Controls - Tests W/Codes >> Diagnostic Code Charts >> Code 42, 5TH Gear Switch Circuit Grounded Circuit M/T Only)

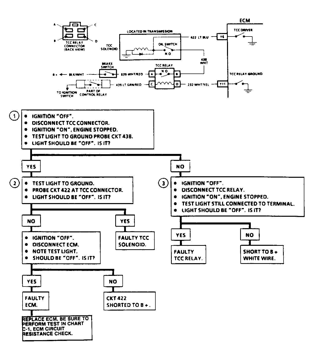
Code 42, 5TH Gear Switch Circuit Grounded Circuit M/T Only)

The ECM supplies battery voltage to 5th gear switch. When transmission is in 5th gear (switch closed), the signal line voltage is pulled low. Code 42 sets if signal line voltage is low all the time.

NOTE: Test numbers refer to test numbers on diagnostic chart.
  1. This checks for battery voltage supplied to ECM.
  2. This checks for switch being the cause of the fault.
  3. This checks if ECM or circuit No. 422 is open.
Fig 1: Code 42 Circuit Diagram & Flow Chart (A/T)
G121700