LEMON Manuals: Even more car manuals for everyone
Home >> Geo >> 1990 >> Tracker Base, Standard >> Repair and Diagnosis >> Engine Performance >> System >> Engine Controls - Tests W/Codes >> Diagnostic Code Charts >> Code 41, Ignition Signal Circuit No Signal >> Diagnostic Aids

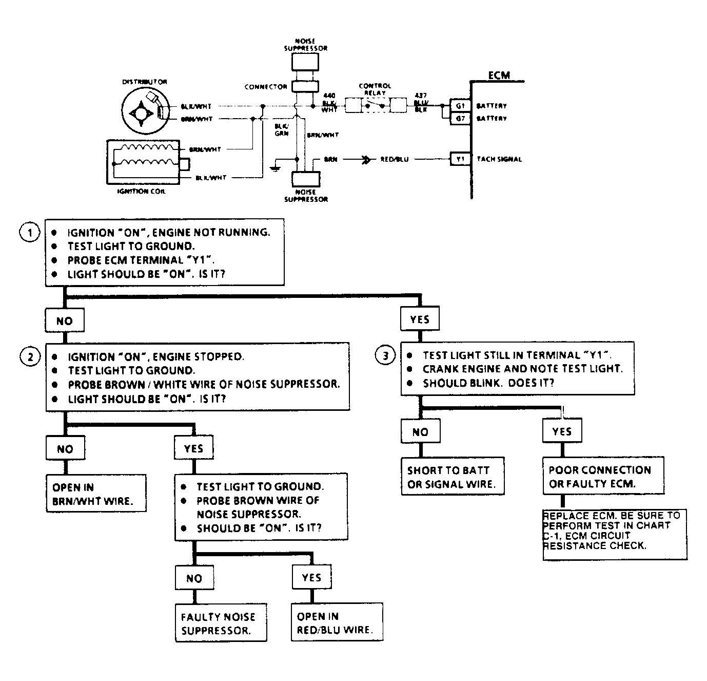
Diagnostic Aids

A loose connection causes a Code 41 to set. A visual inspection verifies all connections to ensure this is not a false code.

Fig 1: Code 41 Circuit Diagram & Flow Chart
G121698