LEMON Manuals: Even more car manuals for everyone
Home >> Genesis >> 2023 >> GV80 2.5T Advanced >> Repair and Diagnosis >> Engine Performance >> Engine Control Systems >> Engine Control System - 2.5L >> Knock Sensor (KS) >> Schematic Diagrams >> Circuit Diagram >> Notes

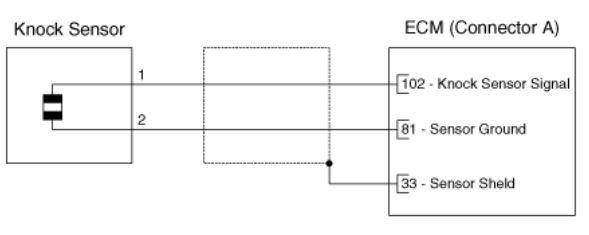
Circuit Diagram: Notes

G14721373Courtesy of HYUNDAI MOTOR AMERICA