LEMON Manuals: Even more car manuals for everyone
Home >> Genesis >> 2021 >> GV80 3.5T Prestige >> Repair and Diagnosis >> Steering >> Steering Column >> Steering Column Module >> Steering Column Module (SCM) >> Schematic Diagrams >> Notes

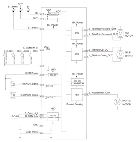
Schematic Diagrams: Notes

G14722774Courtesy of HYUNDAI MOTOR AMERICA