LEMON Manuals: Even more car manuals for everyone
Home >> Genesis >> 2021 >> G80 2.5T, RWD >> Repair and Diagnosis >> Steering >> Steering Column >> Steering Column Module >> Steering Column Module (SCM) >> Schematic Diagrams >> Notes

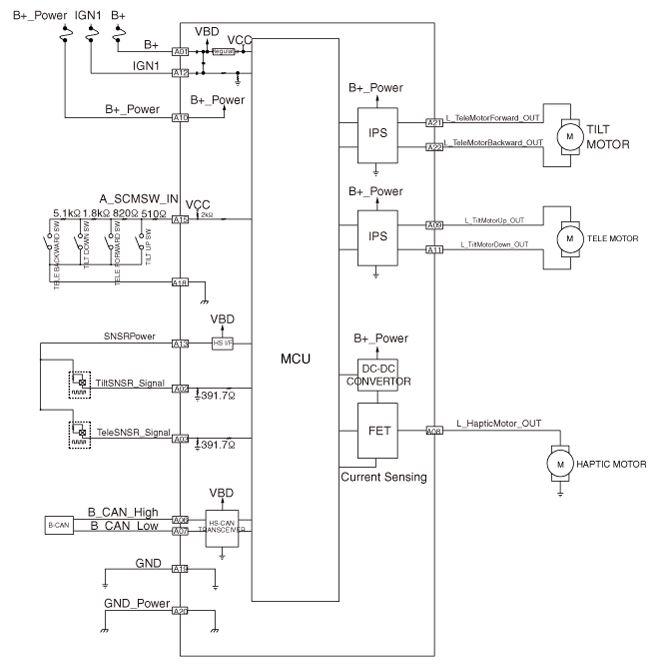
Schematic Diagrams: Notes

G15548853Courtesy of HYUNDAI MOTOR AMERICA