LEMON Manuals: Even more car manuals for everyone
Home >> Genesis >> 2021 >> G80 2.5T Advanced, AWD >> Repair and Diagnosis >> Body & Frame >> Door Locks >> Power Trunk Module >> Power Trunk Lid Control Unit >> Schematic Diagrams >> Circuit Diagram

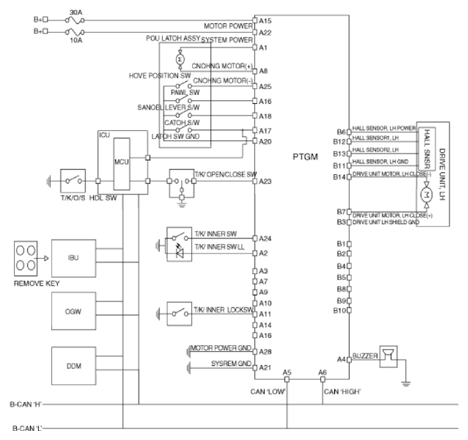
Circuit Diagram

G15554779Courtesy of HYUNDAI MOTOR AMERICA