LEMON Manuals: Even more car manuals for everyone
Home >> Genesis >> 2021 >> G80 2.5T Advanced, AWD >> Repair and Diagnosis >> Accessories & Equipment >> Memory Modules >> Integrated Memory System (IMS) >> Schematic Diagrams

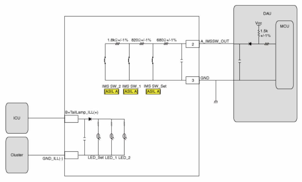
Schematic Diagrams

G15550114Courtesy of HYUNDAI MOTOR AMERICA