LEMON Manuals: Even more car manuals for everyone
Home >> Genesis >> 2021 >> G70 2.0T, AWD >> Repair and Diagnosis >> Accessories & Equipment >> Memory Modules >> Integrated Memory System (IMS) >> Memory Power Seat Unit >> Schematic Diagrams >> Circuit Diagram

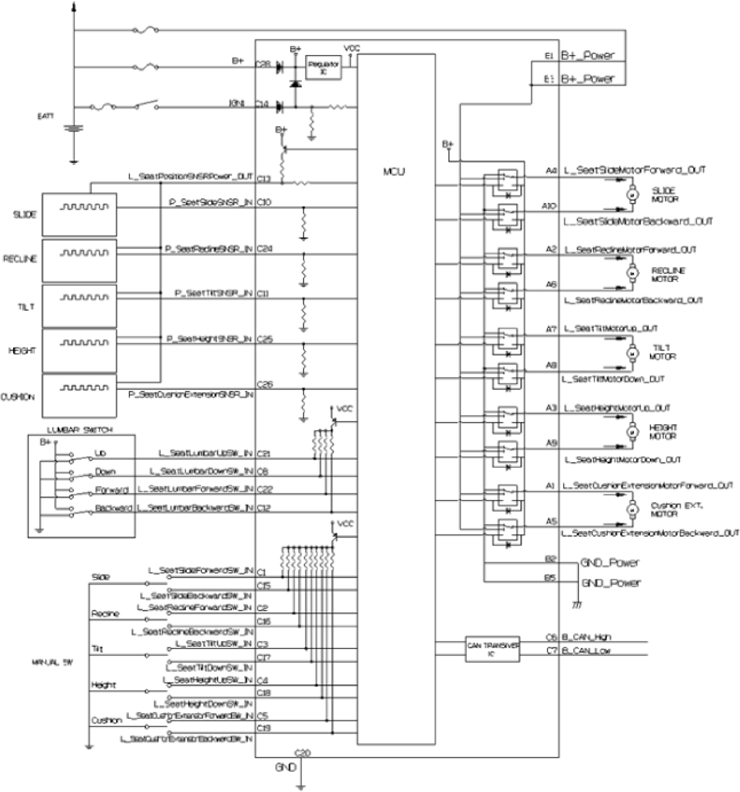
Circuit Diagram

G14177827Courtesy of HYUNDAI MOTOR AMERICA