LEMON Manuals: Even more car manuals for everyone
Home >> Genesis >> 2017 >> G80 3.8, AWD >> Repair and Diagnosis >> Engine Performance >> Engine Control Systems >> Engine Control/Fuel System - 3.8L - General Information >> Troubleshooting >> Basic Troubleshooting >> Electrical Circuit Inspection Procedure

Electrical Circuit Inspection Procedure

  1. Procedures for Open Circuit
    • Continuity Check
    • Voltage Check

    If an open circuit occurs (as seen in [Fig 1), it can be found by performing Step 2 (Continuity Check Method) or Step  3 (Voltage Check Method) as shown below.

    Fig 1: Checking Open Circuit
    G11354957Courtesy of HYUNDAI MOTOR AMERICA
  2. Continuity Check Method
    NOTE: When measuring the resistance, lightly shake the wire harness up and down or from side to side.

    Specification (Resistance) 

    1Ω or less → Normal Circuit

    1MΩ or Higher → Open Circuit

    1. Disconnect connectors (A), (C) and measure resistance between connector (A) and (C) as shown in [Fig 2].

      If the measured resistance of line 1 and 2 is higher than 1M Ω and 1 Ω, respectively in [Fig 2], the line 1 is the open circuit (line 2 is normal). To find the exact break point, inspect the sub line of line 1 (the next step).

      Fig 2: Measuring Resistance Between Connector (A) And (C)
      G11354958Courtesy of HYUNDAI MOTOR AMERICA
    2. Disconnect connector (B), and measure resistance between connector (C) and (B1) and between (B2) and (A) as shown in [Fig 3].

      If the measured resistance between connector (C) and (B1) is 1M Ω or higher, and the resistance between (B2) and (A) is 1 Ω or lower, line 1 of connector (C) and line 1 of connector (B1) are open circuits.

      Fig 3: Measuring Resistance Between Connector (C) And (B1)
      G11354959Courtesy of HYUNDAI MOTOR AMERICA
  3. Voltage Check Method
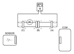
    1. With each connector still connected, measure the voltage between the chassis ground and terminal 1 of each connectors (A), (B) and (C) as shown in [Fig 4].

      The measured voltage of each connector is 5V, 5V and 0V respectively. So the open circuit is between connector (C) and (B).

      Fig 4: Measuring Voltage Between Chassis Ground And Terminal 1 Of Each Connectors
      G11354960Courtesy of HYUNDAI MOTOR AMERICA

• Check Short Circuit 

  1. Test Method for Short to Ground Circuit
    • Continuity Check with Chassis Ground

    If short to ground circuit occurs as shown in [Fig 5], the broken point can be found by performing Step 2 (Continuity Check Method with Chassis Ground) as shown below.

    Fig 5: Checking Short Circuit
    G11354961Courtesy of HYUNDAI MOTOR AMERICA
  2. Continuity Check Method (with Chassis Ground)
    NOTE: Lightly shake the wire harness up and down, or from side to side when measuring the resistance.

    Specification (Resistance) 

    1Ω or less → Short to Ground Circuit

    1MΩ or Higher → Normal Circuit

  1. Disconnect connectors (A), (C) and measure resistance between connector (A) and Chassis Ground as shown in [Fig 6].

    The measured resistance of line 1 and 2 in this example is below 1 Ω and higher than 1MΩ respectively. Specifically the short to ground circuit is line 1 (Line 2 is normal). To find exact broken point, check the sub line of line 1 as described in the following step.

    Fig 6: Measuring Resistance Between Connector (A) And Chassis Ground
    G11354962Courtesy of HYUNDAI MOTOR AMERICA
  2. Disconnect connector (B), and measure the resistance between connector (A) and chassis ground, and between (B1) and chassis ground as shown in [Fig 7].

    The measured resistance between connector (B1) and chassis ground is 1Ω or less. The short to ground circuit is between terminal 1 of connector (C) and terminal 1 of connector (B1).

    Fig 7: Measuring Resistance Between Connector (B1) And Chassis Ground
    G11354963Courtesy of HYUNDAI MOTOR AMERICA

    • Testing For Voltage Drop 

    This test checks for voltage drop along a wire, or through a connection or switch.

    1. Connect the positive lead of a voltmeter to the end of the wire (or to the side of the connector or switch) closest to the battery.
    2. Connect the negative lead to the other end of the wire. (or the other side of the connector or switch)
    3. Operate the circuit.
    4. The voltmeter will show the difference in voltage between the two points. A difference, or drop of more than 0.1 volts (50mV in 5V circuits), may indicate a problem. Check the circuit for any dirt and loose connections.
    Fig 8: Connecting Negative Lead To Other End Of Wire
    G11354964Courtesy of HYUNDAI MOTOR AMERICA