LEMON Manuals: Even more car manuals for everyone
Home >> GMC >> 2021 >> Terrain SL >> Repair and Diagnosis >> External Pages >> Different car >> Section 182 (Remote Functions System) >> Schematic Wiring Diagrams >> Remote Function Wiring Schematics >> Keyless Entry - Passive and Keyless Start

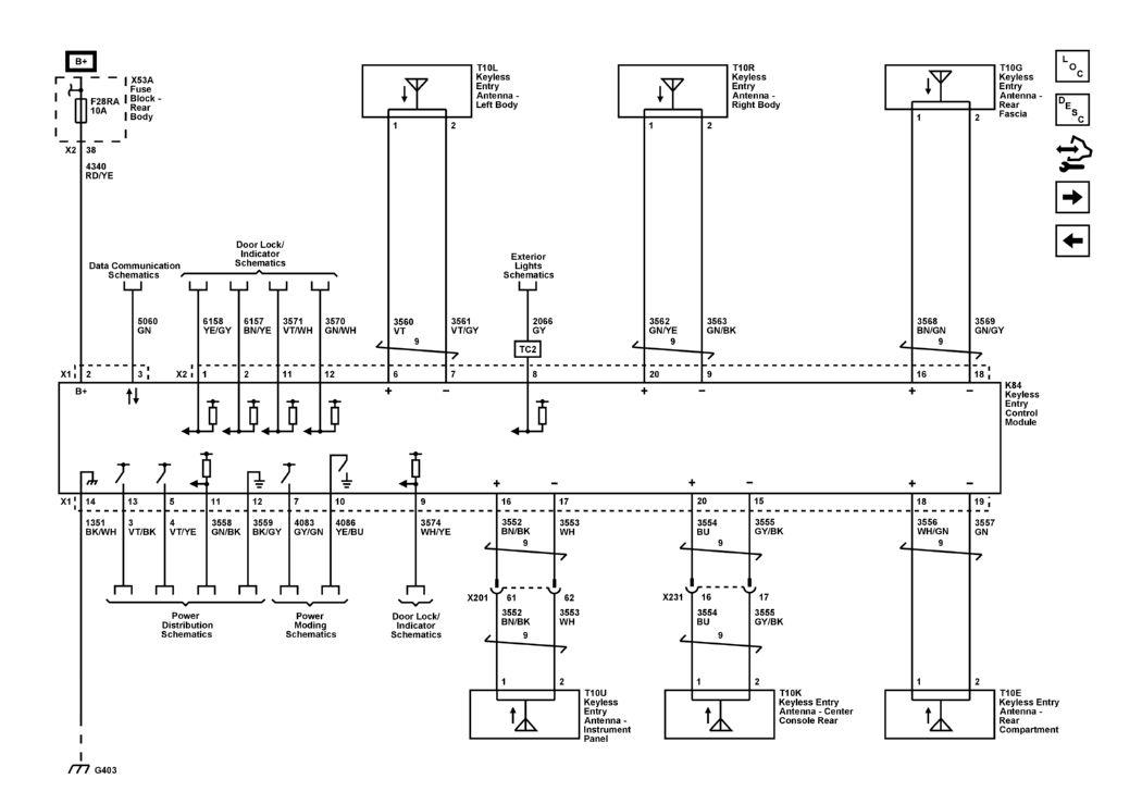
Keyless Entry - Passive and Keyless Start

WARNING: This page is about a different car, the 2021 Buick Enclave. However, it is still accessible from the selected car via links, so may be relevant.
GM5726906Courtesy of GENERAL MOTORS COMPANY