LEMON Manuals: Even more car manuals for everyone
Home >> GMC >> 2021 >> Acadia SL >> Repair and Diagnosis >> Transmission >> Automatic Trans >> Shift Lock Control System >> Schematic Wiring Diagrams >> Shift Lock Control Wiring Schematics >> Shift Lock Control

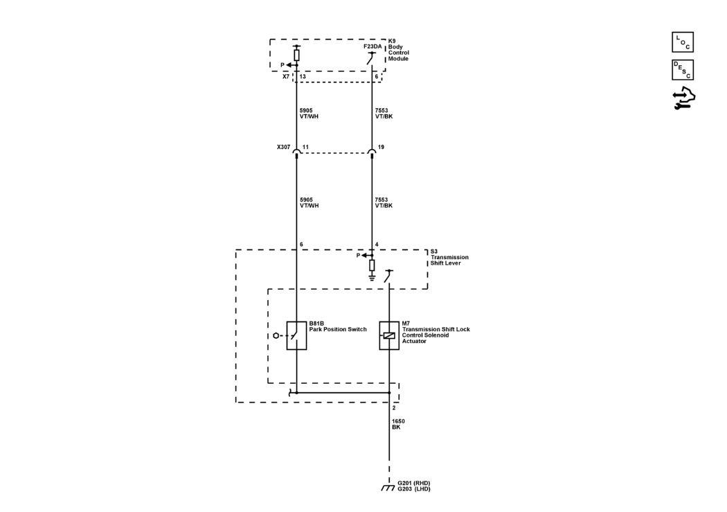
Shift Lock Control

GM5481655Courtesy of GENERAL MOTORS COMPANY